Паровоз серии Э - live steam
- gin_steam
- Повідомлень: 252
- З нами з: 04 листопада 2015, 18:23
- Имя: Александр
- Звідки: Горловка, Украина
- Мой типоразмер: Gauge 1, Live steam
- Been thanked: 3 times
Паровоз серии Э - live steam
Всем доброго здоровья! Решил поделиться своим новым проектом - паровоз серии Э в единичке (М 1:32, колея 45 мм). Проект зрел давно и по мере прорисовки в автокаде подошел к реальному воплощению. Начал с тендера.
В работе пользовался известным альбомом чертежей серии Эм и нормального тендера 1909 года. Долго вникал в детали, думал, как максимально повторить прототип.... и на этом лоханулся
. Слишком заигрался масштабированием реальной конструкции прототипа. Сваял раму тендера с продольными балками и консолями
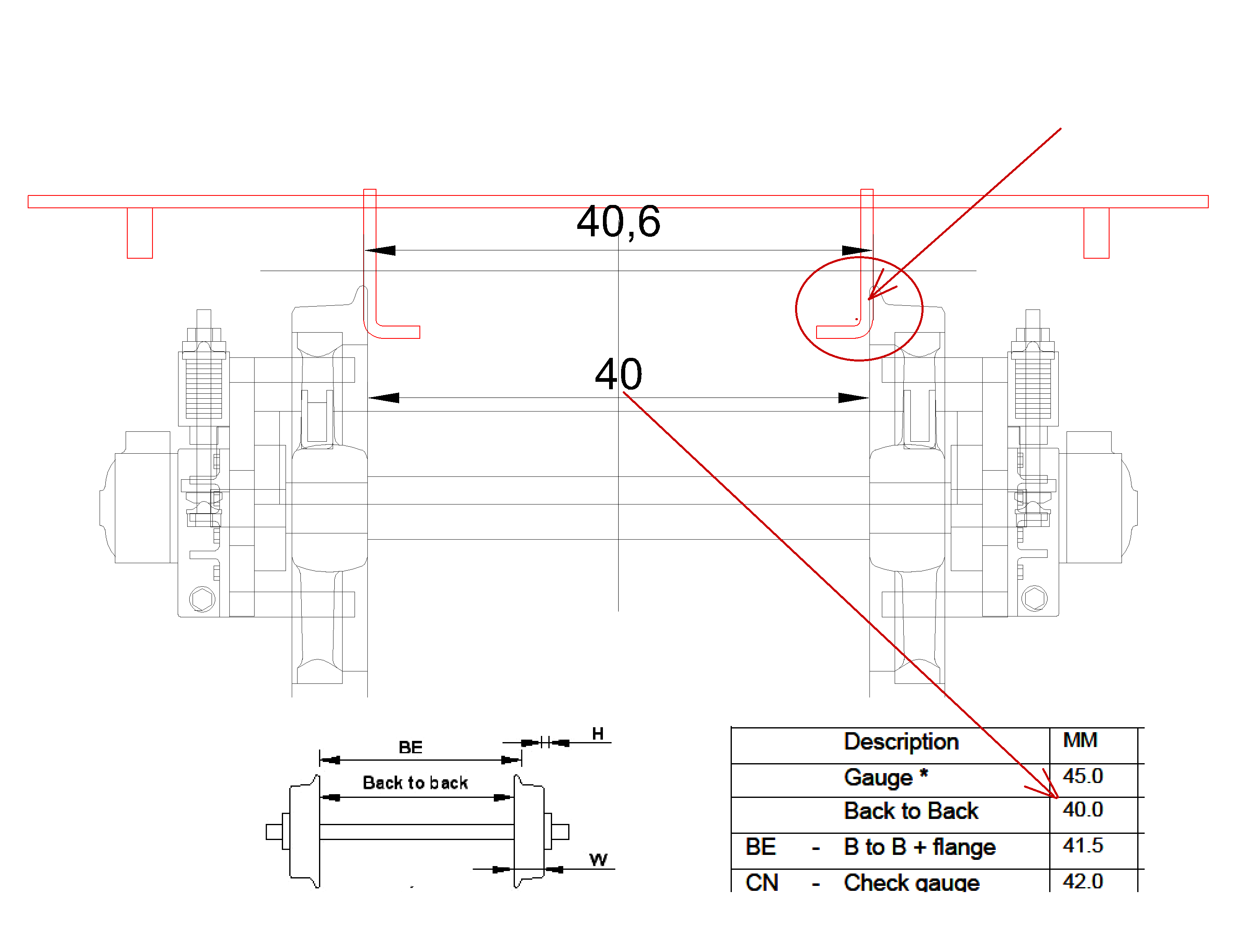
И когда спаял раму, меня осенило - масштабное расстояние между балками 40, 6 мм, а расстояние между колесами в единичке по стандарту паровых моделей - 40 мм. Разумеется, тележка при таком раскладе в раму не поместится, не говоря уже о повороте на шкворне. Протупил, короче
Пришлось все начинать заново 
- gin_steam
- Повідомлень: 252
- З нами з: 04 листопада 2015, 18:23
- Имя: Александр
- Звідки: Горловка, Украина
- Мой типоразмер: Gauge 1, Live steam
- Been thanked: 3 times
Re: Паровоз серии Э - live steam
Следующий вариант тендера решил делать более технологично. За базу принял днище бака. Продольные балки и консоли фиксируются в отверстиях базовой панели в шип.
Довольно большие листовые детали прогреть не просто. Применял пропановую горелку, прогревал участками и поймал новую проблему, чего и следовало ожидать при таком методе пайки. Рама деформировалась. - скрутило винтом. Немного , но заметно. На последней фотке видно, как приподнят угол.
Ну что ж, учимся на ошибках. Впредь такие вещи надо паять в стапеле
Ну что ж, учимся на ошибках. Впредь такие вещи надо паять в стапеле
- gin_steam
- Повідомлень: 252
- З нами з: 04 листопада 2015, 18:23
- Имя: Александр
- Звідки: Горловка, Украина
- Мой типоразмер: Gauge 1, Live steam
- Been thanked: 3 times
Re: Паровоз серии Э - live steam
Решить проблему деформации помогли перегородки бака. Их паял, зафиксировав всю конструкцию на стапеле из стальных панелей толщиной 12 мм, соединенных вставками из медной трубки и винтами М8
- gin_steam
- Повідомлень: 252
- З нами з: 04 листопада 2015, 18:23
- Имя: Александр
- Звідки: Горловка, Украина
- Мой типоразмер: Gauge 1, Live steam
- Been thanked: 3 times
Re: Паровоз серии Э - live steam
Так паять оказалось очень удобно - все детали зафиксированы и проблем с деформацией не возникло. Правда, крепил деталюхи разными прижимами и подпорками два вечера
. Но результат вполне удовлетворительный
Дальше дело за обшивкой бака. Вырезал ее из листа латуни 1 мм и отжег.
Изгиб радиусов заднего борта сделал по шаблону. Получилось, вроде неплохо. Завтра, надеюсь, обшивка будет припаяна к перегородкам и бак со стапеля можно будет снять.
- youdmit
- Повідомлень: 3330
- З нами з: 30 липня 2015, 01:48
- Имя: ЮрСанич
- Звідки: Київ
- Мой типоразмер: H0, H0e
- Has thanked: 2026 times
- Been thanked: 4100 times
Re: Паровоз серии Э - live steam
Александр, приветствую!
Оснастка по сложности не уступает модели. Титанический труд! Не сомневаюсь, что результат будет великолепен!

Оснастка по сложности не уступает модели. Титанический труд! Не сомневаюсь, что результат будет великолепен!

Я сотый раз, опять начну сначала... (А.Макаревич)
- gin_steam
- Повідомлень: 252
- З нами з: 04 листопада 2015, 18:23
- Имя: Александр
- Звідки: Горловка, Украина
- Мой типоразмер: Gauge 1, Live steam
- Been thanked: 3 times
Re: Паровоз серии Э - live steam
Спасибо, ЮрСаныч, бум стараться
, а там как получится
С обшивкой бака уже похоже на тендер.
Теперь надо заняться заклепками. Планирую раскатать на вальцах лист латуни до 0,2 мм и выдавить на нем заклепки 0,8 мм диаметром. Дело за малым - сделать небольшой штампик с упором для листа и пуансоном с матрицей.
С обшивкой бака уже похоже на тендер.
- Muton
- Повідомлень: 3986
- З нами з: 11 травня 2015, 23:12
- Имя: Вітя
- Звідки: Київ
- Мой типоразмер: НО
- Has thanked: 1062 times
- Been thanked: 1182 times
- sotnikov1971
- Повідомлень: 402
- З нами з: 08 вересня 2018, 13:35
- Имя: Юрий С.
- Звідки: Курск
- Мой типоразмер: масштаб 1/25
- Been thanked: 16 times
- gin_steam
- Повідомлень: 252
- З нами з: 04 листопада 2015, 18:23
- Имя: Александр
- Звідки: Горловка, Украина
- Мой типоразмер: Gauge 1, Live steam
- Been thanked: 3 times
Re: Паровоз серии Э - live steam
Пока штамп для заклепок в работе, в голове крутятся телеги и колесные пары. Чертежи колес тендера 1030 мм есть
По чертежам сделал 3Д модель, перевел в формат stl и отдал на печать. Получилось как-то так
Все б ничего, но какие-то ажурные колеса получаются. Фокус в том, что эту мастер-модель планирую вулканизировать в резине, чтоб потом в резиновой форме получить восковки, а затем по ним отлить колесные центры в бронзе.И на всех этих этапах резина, воск и бронза дадут усадку в общем процентов 10-12...Под горячую посадку чугунного бандажа центры придется точить по периметру, закрепив заготовку в центре. Примерно вот так, только на амерской фотке чугунные отливки
После напрессовки бандажа, опять-таки, нужно будет точить профиль фигурным резцом. Что-то типа этого
Ширина резца 6 мм, т.е. нагрузка будет неслабая. Так вот вопрос, который меня мучает - выдержат ли такие ажурные спицы токарную обработку. Ведь размеры прототипа масштабировать можно, а прочность металлов не масштабируется
Не хотелось бы опять погнаться за копийностью и запороть отливки. Поэтому сделал "усиленный" вариант мастер-модели с учетом усадки и с запасом прочности. Понятно, что усиленные 3Д модельки еще нужно будет отшлифовать (слегка уменьшить),снять заусенцы..., но как-то уж слишком они отличаются от первого варианта Вот задача! Кому сказать над чем дядька парится в т.ч. на работе - точно на больничку принудительно отправят
Не хотелось бы опять погнаться за копийностью и запороть отливки. Поэтому сделал "усиленный" вариант мастер-модели с учетом усадки и с запасом прочности. Понятно, что усиленные 3Д модельки еще нужно будет отшлифовать (слегка уменьшить),снять заусенцы..., но как-то уж слишком они отличаются от первого варианта Вот задача! Кому сказать над чем дядька парится в т.ч. на работе - точно на больничку принудительно отправят
- Stinky
- Супермодератор
- Повідомлень: 6269
- З нами з: 16 травня 2015, 01:19
- Имя: Дионисий
- Звідки: Kiew
- Мой типоразмер: Н0
- Has thanked: 1467 times
- Been thanked: 3108 times
- Контактна інформація:
Re: Паровоз серии Э - live steam
Понятное дело,что все увлеченные чем то люди в какой то степени хворые...Но не настолько же.gin_steam писав: Кому сказать над чем дядька парится в т.ч. на работе - точно на больничку принудительно отправят
Ну а по другому никак.Ибо это наше хобби,отдушина и страсть. Любовь и страдания...

- T-1000
- Повідомлень: 2589
- З нами з: 13 травня 2016, 23:55
- Имя: Вилен
- Звідки: Белополье
- Мой типоразмер: HO, H0
- Has thanked: 26 times
- Been thanked: 136 times
- Контактна інформація:
Re: Паровоз серии Э - live steam
Ну, думаю это лучше чем писюн елозить в верховной зраде, пользы больше)
- gin_steam
- Повідомлень: 252
- З нами з: 04 листопада 2015, 18:23
- Имя: Александр
- Звідки: Горловка, Украина
- Мой типоразмер: Gauge 1, Live steam
- Been thanked: 3 times
Re: Паровоз серии Э - live steam
Ну если аксакал поддержал, то за свое душевное здоровье я спокоенStinky писав:Но не настолько же.
Все-таки запущу в работу усиленную версию колеса. Посмотрю на результат в воске, обточить и снять лишнее никогда не поздно.
Вернусь к заклепкам. Вариантов и технологий их выдавливания море. Часто давят, установив пуансон в патрон сверлильного станка и закрепив под ним матрицу. Мне такой способ не нравится - постоянно настраивать, совмещать пиптик с дырочкой, крепить...
Больше понравилась вот такая приспособа http://www.colinbinnie.com/workshop-tips.html
Сейчас отдал фрезеровать стальную пластину толщиной 12 мм, чтоб сделать скобу. Сегодня обещали сделать. Магические превращения скобы в штамп будут уже в домашней мастерской
- RTM
- Повідомлень: 207
- З нами з: 13 серпня 2015, 20:22
- Имя: RTModels
- Звідки: Кривий Ріг
- Мой типоразмер: H0
- Has thanked: 64 times
- Been thanked: 210 times
- Контактна інформація:
Re: Паровоз серии Э - live steam
Вам было бы проще и дешевле вырастить все колёса на принтере.Есть полимер аналогичный воску.Лить лучше латунь.Лигатура в любом магазине для ювелирки.gin_steam писав:Фокус в том, что эту мастер-модель планирую вулканизировать в резине, чтоб потом в резиновой форме получить восковки, а затем по ним отлить колесные центры в бронзе.
Вот задача! Кому сказать над чем дядька парится в т.ч. на работе - точно на больничку принудительно отправят
rtmodels.com.ua
t.me/rtm_kits
facebook.com/rtmkits
instagram.com/rtm_kits
t.me/rtm_kits
facebook.com/rtmkits
instagram.com/rtm_kits
- gin_steam
- Повідомлень: 252
- З нами з: 04 листопада 2015, 18:23
- Имя: Александр
- Звідки: Горловка, Украина
- Мой типоразмер: Gauge 1, Live steam
- Been thanked: 3 times
Re: Паровоз серии Э - live steam
Владимир,все это так. Но есть некоторые нюансы. Во-первых, ювелирных лавок в моих краях нет,доставка заказа тоже довольно сложная процедура. По материалу 3Д печати выбор также не велик.
Понимаю, что покупная лигатура для литья идеальна, но за неимением ее нужно искать компромиссы. Один из них - отливаться из лома (сантехнические фитинги и краны). При таком раскладе процент бракованных отливок, ясное дело,значительно больше. Исходя из этого второй компромисс - делать восковки самому, чтоб не ограничивать себя количеством повторений.
Еще в 13-м году затарился кое-какими материалами по ювелирке. Резинки буду делать из Castaldo LTV (темп. вулканизации до 80 градусов, можно обойтись без вулканизатора -струбцина и кастрюля с горячей водой
).
Для инжекции есть пачка воска Руби Рэд вот такого
Понимаю, что покупная лигатура для литья идеальна, но за неимением ее нужно искать компромиссы. Один из них - отливаться из лома (сантехнические фитинги и краны). При таком раскладе процент бракованных отливок, ясное дело,значительно больше. Исходя из этого второй компромисс - делать восковки самому, чтоб не ограничивать себя количеством повторений.
Еще в 13-м году затарился кое-какими материалами по ювелирке. Резинки буду делать из Castaldo LTV (темп. вулканизации до 80 градусов, можно обойтись без вулканизатора -струбцина и кастрюля с горячей водой
Для инжекции есть пачка воска Руби Рэд вот такого
-
ЗЭРЗ
- Повідомлень: 569
- З нами з: 06 листопада 2016, 07:53
- Имя: Дмитрий
- Звідки: Запорожье
- Мой типоразмер: Н0,Н0е,TT.
- Has thanked: 347 times
- Been thanked: 246 times
Re: Паровоз серии Э - live steam
Очень интересная модель будет. Ждем продолжения.
Лить точное литье из грандбукс и т.п. не рекомендую, расчет состава металла должен быть точный. Иначе много брака, воск в дым, смесь в мусор.
Да и компромиссы в точном литье неуместны (как по мне), все должно быть по технологии ( лучше переплатить за качественные материалы чем использовать эрзацы и потом выбрасывать брак и делать заново. А время дорого)
P.S Сам не лью, заказываю литье у мастера-литейщика, он то мне врать не будет,да и сам присутсвовал при формовке и разливке.
P.S.S Делать восковки самому - у вас есть восковой инжектор?
Лить точное литье из грандбукс и т.п. не рекомендую, расчет состава металла должен быть точный. Иначе много брака, воск в дым, смесь в мусор.
Да и компромиссы в точном литье неуместны (как по мне), все должно быть по технологии ( лучше переплатить за качественные материалы чем использовать эрзацы и потом выбрасывать брак и делать заново. А время дорого)
P.S Сам не лью, заказываю литье у мастера-литейщика, он то мне врать не будет,да и сам присутсвовал при формовке и разливке.
P.S.S Делать восковки самому - у вас есть восковой инжектор?
Вечно пьяный, вечно злой наш электрик поездной.
- RTM
- Повідомлень: 207
- З нами з: 13 серпня 2015, 20:22
- Имя: RTModels
- Звідки: Кривий Ріг
- Мой типоразмер: H0
- Has thanked: 64 times
- Been thanked: 210 times
- Контактна інформація:
Re: Паровоз серии Э - live steam
Я лился из отходов плат фотоэтчета, лигатура ХУЖЕ!gin_steam писав: Один из них - отливаться из лома (сантехнические фитинги и краны).
УДАЧИ.
rtmodels.com.ua
t.me/rtm_kits
facebook.com/rtmkits
instagram.com/rtm_kits
t.me/rtm_kits
facebook.com/rtmkits
instagram.com/rtm_kits
- gin_steam
- Повідомлень: 252
- З нами з: 04 листопада 2015, 18:23
- Имя: Александр
- Звідки: Горловка, Украина
- Мой типоразмер: Gauge 1, Live steam
- Been thanked: 3 times
Re: Паровоз серии Э - live steam
Володя, спасибо на добром слове. Вам тоже. Как по мне, М62 и ВЛ 80 от RTM просто шедевры! Очень ценны Ваши советы и рекомендации.RTM писав:УДАЧИ.
Прекрасно понимаю о чем речь. За пару-тройку лет перелопатил массу информации, загорелся полным циклом литья по выплавляемым моделям. Даже хотел, как-то, сделать инжектор, чтоб по-взросломуЗЭРЗ писав:Делать восковки самому - у вас есть восковой инжектор?
Вот скрины от Arimf-a. Мне нравится его подход к литью - немного примитивно, но результат вполне достойный за небольшие вложения. Технология простая, как грабли. Прижимаем резинку пластиной с отверстием, совмещенным с литником резинки, набираем в шприц воск из горячей чашки, дуем воск в форму. Избыток воска выйдет наружу. Немного сохраняем давление поршня, чтоб компенсировать усадку воска при застывании. Вот и все дела. Так зачем восколит за 500 зеленых? Восковки же не массовые
- gin_steam
- Повідомлень: 252
- З нами з: 04 листопада 2015, 18:23
- Имя: Александр
- Звідки: Горловка, Украина
- Мой типоразмер: Gauge 1, Live steam
- Been thanked: 3 times
Re: Паровоз серии Э - live steam
Ну, наконец-то доделал штамп для заклепок.
Попробовал давить в полосе 0,2 мм. Пробил пару-тройку насквозь от излишнего старания
Пришлось в рычаге просверлить отверстие, нарезать резьбу и вкрутить винт М5 для ограничения хода. Чтоб получить максимальную четкость заклепки и не пробить лист, винт поворачивал буквально на несколько градусов.
Ручка в задней части крутит шпильку М10 с ограничительным упором для листа
Эксперименты показали, что упор не очень нужен. Можно довольно точно давить по точкам на картинке, распечатанной в масштабе 1:1 и приклеенной к листу. Первую накладку с заклепками давить буду завтра
Попробовал давить в полосе 0,2 мм. Пробил пару-тройку насквозь от излишнего старания