Свет в наших моделях
- wildTarik
- Повідомлень: 341
- З нами з: 14 серпня 2015, 12:39
- Имя: Тарас
- Звідки: ст.Стрий Льв.зал.
- Мой типоразмер: TT, N
- Has thanked: 174 times
- Been thanked: 38 times
Re: Свет в наших моделях
Ну не так. Ви картинку добре розглядали? У вас конденсатор включений зі світлодіодом послідовно, а має бути в паралель між + і -. І ви робите к.з. на LMці.
Герої не вмирають!
=================================

=================================

- Njkz72
- Повідомлень: 525
- З нами з: 14 жовтня 2015, 12:19
- Имя: Анатолий
- Звідки: Николаев
- Мой типоразмер: Н0
- Has thanked: 333 times
- Been thanked: 429 times
Re: Свет в наших моделях
Схему проще перепаять заново (внимательно глядя на цоколёвку стабилизатора, полярность конденсатора, светодиода, диода, схему в теме), чем перечислять её ошибки!
Цоколёвка стабилизатора: 1 вывод - управление
2 вывод - выход
3 вывод - вход
Цоколёвка стабилизатора: 1 вывод - управление
2 вывод - выход
3 вывод - вход
З повагою, Анатолій.
- T-1000
- Повідомлень: 2589
- З нами з: 13 травня 2016, 23:55
- Имя: Вилен
- Звідки: Белополье
- Мой типоразмер: HO, H0
- Has thanked: 26 times
- Been thanked: 136 times
- Контактна інформація:
Re: Свет в наших моделях
Да, уже все получилось, еще раз спасибо. Теперь нужно подумать как в обратную сторону сделать 
И чертовски прикольно, такая плавность при включении и выключении. Еще правда нужно обкатать на локе и проверить будет ли мигание.
И чертовски прикольно, такая плавность при включении и выключении. Еще правда нужно обкатать на локе и проверить будет ли мигание.
- Барбос
- Повідомлень: 1718
- З нами з: 20 березня 2016, 18:18
- Имя: Саша
- Звідки: Запорожье
- Мой типоразмер: СЖД
- Has thanked: 531 times
- Been thanked: 549 times
Re: Свет в наших моделях
Предистория:
Внес маленькие поправки в оригинальную схему, так как диодам нужны разные напряжения, белому 2,8v, а красному только 2,1v.
Итак, вот нарисовал понятнее: Схема показала себя в работе очень удачно! Она позволяет гореть освещению всегда одинаково, при любом вольтаже, и даже когда лок остановился или ещё не тронулся.
Она очень простая, маленькая, и очень эффективная для аналогового питания, но желательно добавить общее напряжение на рельсы до 16v.
Диоды обычные самые по 25коп, светодиод белый обычный, красный 0603 блошка.
Barbosa_ писав:
Это очень интересная схема!
Последовательное включение освещения и мотора.
Она позволяет гореть освещению всегда одинаково, при любом вольтаже, и даже когда лок остановился или ещё не тронулся.
Олег писав:Саша, так и естьСначала свет, причем с хорошей яркостью, потом лок трогается
Решил вживую опробывать именно эту схему со светодиодами, и заодно обеспечить освещением старикашку Gutzolda BR110.Олег писав:...Так и естьТеперь попробую эту схему на led собрать... Как думаешь, моргалы будут или выколим
![]()
Внес маленькие поправки в оригинальную схему, так как диодам нужны разные напряжения, белому 2,8v, а красному только 2,1v.
Итак, вот нарисовал понятнее: Схема показала себя в работе очень удачно! Она позволяет гореть освещению всегда одинаково, при любом вольтаже, и даже когда лок остановился или ещё не тронулся.
Она очень простая, маленькая, и очень эффективная для аналогового питания, но желательно добавить общее напряжение на рельсы до 16v.
Диоды обычные самые по 25коп, светодиод белый обычный, красный 0603 блошка.
- vover
- Супермодератор
- Повідомлень: 3236
- З нами з: 02 серпня 2015, 16:29
- Имя: Владимир
- Звідки: Будапешт
- Мой типоразмер: H0
- Has thanked: 1275 times
- Been thanked: 493 times
Re: Свет в наших моделях
Действительно, классная схема
Вот только может мне кто-нибудь объяснить, как она работает?
Ато моих познаний недостаточно... уже почти мозги свихнул
Вот только может мне кто-нибудь объяснить, как она работает?
Ато моих познаний недостаточно... уже почти мозги свихнул
- T-1000
- Повідомлень: 2589
- З нами з: 13 травня 2016, 23:55
- Имя: Вилен
- Звідки: Белополье
- Мой типоразмер: HO, H0
- Has thanked: 26 times
- Been thanked: 136 times
- Контактна інформація:
Re: Свет в наших моделях
А долго горит после выключения и перед включением? И где кондеры которые сие решают?
-
4887
- Повідомлень: 57
- З нами з: 14 серпня 2015, 20:39
- Имя: Андрей Николаевич
- Звідки: Киев, Кардачи
- Мой типоразмер: N
- Been thanked: 6 times
Re: Свет в наших моделях
Схема хороша, но нижние цветные светодиоды нужно развернуть (сменить полярность), а то не будут светиться.Barbosa_ писав:... Внес маленькие поправки в оригинальную схему, так как диодам нужны разные напряжения, белому 2,8v, а красному только 2,1v.
Итак, вот нарисовал понятнее: ...
- Барбос
- Повідомлень: 1718
- З нами з: 20 березня 2016, 18:18
- Имя: Саша
- Звідки: Запорожье
- Мой типоразмер: СЖД
- Has thanked: 531 times
- Been thanked: 549 times
Re: Свет в наших моделях
Barbosa_ писав:...Она позволяет гореть освещению всегда одинаково, при любом вольтаже, и даже когда лок остановился или ещё не тронулся....
Уточняю.T-1000 писав:А долго горит после выключения и перед включением? И где кондеры которые сие решают?
Освещение работает всегда от напряжения с рельс, конденсаторы не нужны. Особенность в том, что на рельсах всегда должно присутствовать минимальное напряжение 3,3v - 4v.
Поэтапно:
1. Режим стоянка - рельсы обесточены - света нет - мотор стоит
2. Режим стою со светом - даем напряжение на рельсы до 3 - 4v (и бросаем регулятор) - ток пойдет через цепь из 5 диодов и 2х светодиодов (точнее по одной из 2х цепей согласно полярности) и через катушку мотора - зажгутся светодиоды белый и красный в одной цепи (верхняя или нижняя цепь на картинке) сразу на полную - мотор стоит, потому что все первые 4V на рельсах на себя заберёт цепь освещения из диодов, а мотору останется 0v - мотор стоит - свет горит!
3. Режим поехали со светом - добавляем напряжение более 4v на рельсы - диодная схема как брала 3v-3,2v на себя так и будет только их забирать, а все напряжение выше 4v начинает прикладываться к мотору - т.е. для мотора это начало, т.е. 4v-16v на рельсах = 0 -12V на клеммах мотора
4. Стою со светом - Когда лок ездит, выполняя маневры, в месте где нужно остановиться, но что бы свет горел, мы снижаем напряжение до 4v, но не выключаем его полностью!
5. Меняю направление хода - Когда хотим поменять направление, тогда, клацаем тумблер и меняем полярность, но и в другой полярности напряжение на рельсах тоже самое 4v, и зажгутся другие 2 светодиода, в другое направление (а те первые ясно что погаснут)
- Барбос
- Повідомлень: 1718
- З нами з: 20 березня 2016, 18:18
- Имя: Саша
- Звідки: Запорожье
- Мой типоразмер: СЖД
- Has thanked: 531 times
- Been thanked: 549 times
Re: Свет в наших моделях
Ошибки в схеме не обнаружил4887 писав:...Схема хороша, но нижние цветные светодиоды нужно развернуть (сменить полярность), а то не будут светиться...
-
4887
- Повідомлень: 57
- З нами з: 14 серпня 2015, 20:39
- Имя: Андрей Николаевич
- Звідки: Киев, Кардачи
- Мой типоразмер: N
- Been thanked: 6 times
Re: Свет в наших моделях
Попробуй еще раз.Barbosa_ писав:Ошибки в схеме не обнаружил
Прохождение тока справа налево, через цепочку 5 диодов проходит, но оба светодиода запираются обратным током и не светятся. Так более понятно?
- Барбос
- Повідомлень: 1718
- З нами з: 20 березня 2016, 18:18
- Имя: Саша
- Звідки: Запорожье
- Мой типоразмер: СЖД
- Has thanked: 531 times
- Been thanked: 549 times
Re: Свет в наших моделях
Вот растолковываю значение светодиодов и путь тока в двух противоположных направлениях.4887 писав:...Попробуй еще раз...
Востаннє редагувалось 06 лютого 2017, 23:13 користувачем Барбос, всього редагувалось 1 раз.
- Барбос
- Повідомлень: 1718
- З нами з: 20 березня 2016, 18:18
- Имя: Саша
- Звідки: Запорожье
- Мой типоразмер: СЖД
- Has thanked: 531 times
- Been thanked: 549 times
Re: Свет в наших моделях
Вилен, ограничетелем напряжения для светодиодов работает цепь последовательно соединённых диодов (в таком соединении они образуют стабилитрон с рабочим напряжением равным сумме 0,7v умножить на количество диодов). Диоды используются потому что они очень дешёвые, и всегда кучей есть под рукой, а стабилитрон нужно искать, ездить по рынкам, короче тратить кучу времени.T-1000 писав:А, что предотвращает перегорание?
Если у тебя есть в наличии стабилитрон на нужное напряжение можно конечно и его ставить, но смотри внимательно они ставятся наоборот!
Востаннє редагувалось 06 лютого 2017, 22:55 користувачем Барбос, всього редагувалось 1 раз.
-
4887
- Повідомлень: 57
- З нами з: 14 серпня 2015, 20:39
- Имя: Андрей Николаевич
- Звідки: Киев, Кардачи
- Мой типоразмер: N
- Been thanked: 6 times
Re: Свет в наших моделях
Согласен, все правильно, чего-то меня перемкнуло.Barbosa_ писав:Вот растолковываю значение светодиодов и путь тока в двух противоположных направлениях.
- Барбос
- Повідомлень: 1718
- З нами з: 20 березня 2016, 18:18
- Имя: Саша
- Звідки: Запорожье
- Мой типоразмер: СЖД
- Has thanked: 531 times
- Been thanked: 549 times
Re: Свет в наших моделях
Особенность в том, что на рельсах всегда должно присутствовать минимальное напряжение 3,3v - 4v.
Поэтапно:
1. Режим стоянка - рельсы обесточены - света нет - мотор стоит
2. Режим стою со светом - даем напряжение на рельсы до 3 - 4v (и бросаем регулятор) - ток пойдет через цепь из 5 диодов и 2х светодиодов (точнее по одной из 2х цепей согласно полярности) и через катушку мотора - зажгутся светодиоды белый и красный в одной цепи (верхняя или нижняя цепь на картинке) сразу на полную - мотор стоит, потому что все первые 4V на рельсах на себя заберёт цепь освещения из диодов, а мотору останется 0v - мотор стоит - свет горит!
3. Режим поехали со светом - добавляем напряжение более 4v на рельсы - диодная схема как брала 3v-3,2v на себя так и будет только их забирать, а все напряжение выше 4v начинает прикладываться к мотору - т.е. для мотора это начало, т.е. 4v-16v на рельсах = 0 -12V на клеммах мотора
4. Стою со светом - Когда лок ездит, выполняя маневры, в месте где нужно остановиться, но что бы свет горел, мы снижаем напряжение до 4v, но не выключаем его полностью!
5. Меняю направление хода - Когда хотим поменять направление, тогда, клацаем тумблер и меняем полярность, но и в другой полярности напряжение на рельсах тоже самое 4v, и зажгутся другие 2 светодиода, в другое направление (а те первые ясно что погаснут)
(на видео BR110 Gutzold с этой схемой. Мотор в рабочем режиме но отсоединена трансмиссия)
Поэтапно:
1. Режим стоянка - рельсы обесточены - света нет - мотор стоит
2. Режим стою со светом - даем напряжение на рельсы до 3 - 4v (и бросаем регулятор) - ток пойдет через цепь из 5 диодов и 2х светодиодов (точнее по одной из 2х цепей согласно полярности) и через катушку мотора - зажгутся светодиоды белый и красный в одной цепи (верхняя или нижняя цепь на картинке) сразу на полную - мотор стоит, потому что все первые 4V на рельсах на себя заберёт цепь освещения из диодов, а мотору останется 0v - мотор стоит - свет горит!
3. Режим поехали со светом - добавляем напряжение более 4v на рельсы - диодная схема как брала 3v-3,2v на себя так и будет только их забирать, а все напряжение выше 4v начинает прикладываться к мотору - т.е. для мотора это начало, т.е. 4v-16v на рельсах = 0 -12V на клеммах мотора
4. Стою со светом - Когда лок ездит, выполняя маневры, в месте где нужно остановиться, но что бы свет горел, мы снижаем напряжение до 4v, но не выключаем его полностью!
5. Меняю направление хода - Когда хотим поменять направление, тогда, клацаем тумблер и меняем полярность, но и в другой полярности напряжение на рельсах тоже самое 4v, и зажгутся другие 2 светодиода, в другое направление (а те первые ясно что погаснут)
(на видео BR110 Gutzold с этой схемой. Мотор в рабочем режиме но отсоединена трансмиссия)
- T-1000
- Повідомлень: 2589
- З нами з: 13 травня 2016, 23:55
- Имя: Вилен
- Звідки: Белополье
- Мой типоразмер: HO, H0
- Has thanked: 26 times
- Been thanked: 136 times
- Контактна інформація:
Re: Свет в наших моделях
Как бы сюдой добавить плавности от перебоев. То есть конденсатор и какой можно поставить?
- wildTarik
- Повідомлень: 341
- З нами з: 14 серпня 2015, 12:39
- Имя: Тарас
- Звідки: ст.Стрий Льв.зал.
- Мой типоразмер: TT, N
- Has thanked: 174 times
- Been thanked: 38 times
Re: Свет в наших моделях
Як обіцяв в сусідній темі, напишу про ШИМ регулятор.

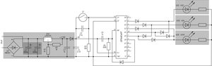
Припустимо, що при шпаруватості 15% двигуну недостатньо тривалості імпульсів і локомотив стоїть. Але цих імпульсів достатньо для заряду конденсаторів у вагонах для їх освітлення. Нехай 50% - це малий хід, 75% - максимальна швидкість. Звичайно що все це відносно, але для моїх ВТТВ моделей вистачає таких параметрів з головою. Тому пропоную свою схему ШИМ. Власне схема не моя, а знайдена в Неті і дещо перероблена. Польовий транзистор можна взяти інший такої ж провідності. В мене валявся такий. Живлення схеми 12 В, використовую блок живлення від комп'ютера. Можна й інший, дивлячись скільки споживає локомотив/локомотиви на макеті. Думаю в районі 3А вихідного струму буде достатньо. Для освітлення прикинув таку схемку, на макетці перевіряв - дієздатна. Можливо скоро витравлю і запаяю схему для вагона і після наладки можна буде вносити корективи по номіналах. Ідея наступна: при наявності вищезгаданих 15% (які ми прийняли за мінімум, хоча це не обов'язково 15%) діодний міст VD не випрямляє напругу, а робить її необхідної полярності, адже полярність в рейках залежить від напрямку руху. Далі конденсатори С1 і С2 (електролітичні, на напругу не менше 16 В) заряджаються і згладжують імпульсну напругу. При мінімальній шпаруватості і навантаженні десь 20 мА ці конденсатори заряджаються десь до 6В. Стабілізатор DA1 включений по схемі стабілізатора напруги і стабілізує її на рівні приблизно 3.75 В і захищається діодом від зворотньої напруги. Далі по схемі С4 - іоністор (конденсатор великої ємності) на 0.33 Ф. Хоча спочатку спробую без нього. Він виконує функцію невеличкого акумулятора. S1 - геркон на замикння, яким здійснюється переключення режимів освітлення. Далі мікрохсема-лічильник. В початковому стані освітлення повністю вимкнене. Якщо піднести магніт до геркона на вхід лічильника поступає перший імпульс і на виході Q1 з'являється логічна 1, яка вмикає хвостові вогні одного кінця вагона. При наступному замиканні геркона на Q1 напруга логічного 0, а на Q2 - 1 і вмикаються хвости іншого кінця. При наступному замиканні геркона вмикається освітлення у вагоні, далі - хвости1+освітлення, хвости2+освітлення, скид до початкового стану. Для включення світлодіодів від лічильника мабуть використаю драйвер ULN2003. Кількість світлодіодів в групах показана приблизно. На хвости по 2 червоних SMD 0603, на освітлення вагона - 18 білих 1206.
Фух, купу написав, але зі схемою освітлення ще треба побавитись. Думаю комусь та й щось пригодиться
Для наглядності осцилограма різних сигналів ШИМ. Звідси видно, що амплітуда імпульсів постійна, тобто на двигун весь час потрапляють одинакові імпульси, але в різних випадках їх тривалість різна і двигун "насичується напругою" все більше і більше.Широтно-импульсная модуляция (ШИМ, англ. pulse-width modulation (PWM)) — процесс управления мощностью, подводимой к нагрузке, путём изменения скважности импульсов, при постоянной частоте.

Припустимо, що при шпаруватості 15% двигуну недостатньо тривалості імпульсів і локомотив стоїть. Але цих імпульсів достатньо для заряду конденсаторів у вагонах для їх освітлення. Нехай 50% - це малий хід, 75% - максимальна швидкість. Звичайно що все це відносно, але для моїх ВТТВ моделей вистачає таких параметрів з головою. Тому пропоную свою схему ШИМ. Власне схема не моя, а знайдена в Неті і дещо перероблена. Польовий транзистор можна взяти інший такої ж провідності. В мене валявся такий. Живлення схеми 12 В, використовую блок живлення від комп'ютера. Можна й інший, дивлячись скільки споживає локомотив/локомотиви на макеті. Думаю в районі 3А вихідного струму буде достатньо. Для освітлення прикинув таку схемку, на макетці перевіряв - дієздатна. Можливо скоро витравлю і запаяю схему для вагона і після наладки можна буде вносити корективи по номіналах. Ідея наступна: при наявності вищезгаданих 15% (які ми прийняли за мінімум, хоча це не обов'язково 15%) діодний міст VD не випрямляє напругу, а робить її необхідної полярності, адже полярність в рейках залежить від напрямку руху. Далі конденсатори С1 і С2 (електролітичні, на напругу не менше 16 В) заряджаються і згладжують імпульсну напругу. При мінімальній шпаруватості і навантаженні десь 20 мА ці конденсатори заряджаються десь до 6В. Стабілізатор DA1 включений по схемі стабілізатора напруги і стабілізує її на рівні приблизно 3.75 В і захищається діодом від зворотньої напруги. Далі по схемі С4 - іоністор (конденсатор великої ємності) на 0.33 Ф. Хоча спочатку спробую без нього. Він виконує функцію невеличкого акумулятора. S1 - геркон на замикння, яким здійснюється переключення режимів освітлення. Далі мікрохсема-лічильник. В початковому стані освітлення повністю вимкнене. Якщо піднести магніт до геркона на вхід лічильника поступає перший імпульс і на виході Q1 з'являється логічна 1, яка вмикає хвостові вогні одного кінця вагона. При наступному замиканні геркона на Q1 напруга логічного 0, а на Q2 - 1 і вмикаються хвости іншого кінця. При наступному замиканні геркона вмикається освітлення у вагоні, далі - хвости1+освітлення, хвости2+освітлення, скид до початкового стану. Для включення світлодіодів від лічильника мабуть використаю драйвер ULN2003. Кількість світлодіодів в групах показана приблизно. На хвости по 2 червоних SMD 0603, на освітлення вагона - 18 білих 1206.
Фух, купу написав, але зі схемою освітлення ще треба побавитись. Думаю комусь та й щось пригодиться
Герої не вмирають!
=================================

=================================

- Барбос
- Повідомлень: 1718
- З нами з: 20 березня 2016, 18:18
- Имя: Саша
- Звідки: Запорожье
- Мой типоразмер: СЖД
- Has thanked: 531 times
- Been thanked: 549 times
Re: Свет в наших моделях
Хорошая схема
.
Микросхема NE555 цена всего 3грн., а вот транзистор полевой 25-30грн.
Вот ещё эта же схема, ШИМ регулятор хода электродвигателя, но тут транзистор обычный npn (КТ817 можно за 50коп.) и есть схема изменения полярности для мотора: нужно попробовать.
Микросхема NE555 цена всего 3грн., а вот транзистор полевой 25-30грн.
Вот ещё эта же схема, ШИМ регулятор хода электродвигателя, но тут транзистор обычный npn (КТ817 можно за 50коп.) и есть схема изменения полярности для мотора: нужно попробовать.
