Шкода але нема. Написав у відповідь.gin_steam писав:Написал в личку. Чего-то с отправкой были проблемы, надеюсь дойдет.
Ужгородський Модуль HO. Початок
-
VolodyaM
- Повідомлень: 205
- З нами з: 24 серпня 2015, 19:55
- Имя: Володя
- Звідки: Ужгород
- Мой типоразмер: HO
- Has thanked: 38 times
- Been thanked: 12 times
Re: Ужгородський Модуль HO. Початок
Kibri, Viessmann, PIKO, ATLAS та інше
- gin_steam
- Повідомлень: 252
- З нами з: 04 листопада 2015, 18:23
- Имя: Александр
- Звідки: Горловка, Украина
- Мой типоразмер: Gauge 1, Live steam
- Been thanked: 4 times
Re: Ужгородський Модуль HO. Початок
А вдруг кто-то со своим модулем в Ужгород пожалуетVolodyaM писав:Посередині отвори для 2-х роз'ємів DB25. Шлейф даних і живлення.
Когда шлейфы абсолютно одинаковы по количеству линий и схеме подключения, то это не проблема. А если нет? - Шлейфы данных и питания не совпадают при повороте одного из модулей на 180 град. Возможность интересных сборок ограничена
Впрочем, я не сильно разбираюсь в назначении этих разъемов, могу ошибаться.
-
VolodyaM
- Повідомлень: 205
- З нами з: 24 серпня 2015, 19:55
- Имя: Володя
- Звідки: Ужгород
- Мой типоразмер: HO
- Has thanked: 38 times
- Been thanked: 12 times
Re: Ужгородський Модуль HO. Початок
Є два варіанта підключення шлейфа.
1 симетрично, як на малюнку - 2 перехресно - 1 контакт P на 1 контакт M, 2P-2M, 3P-3M....
В другому випадку збільшується кількість ліній. Отже і протоколів обміну. Що розширює універсальність.
Головне прийти до стандартного розподілу контактів. Та врахувати навантаження по силовій частині -+5, +12, ~16-18
ps в аналоговому варіанті виникають певні обмеження (+/-), котрі теж можна узгодити. Ми орієнтуємось на цифру
1 симетрично, як на малюнку - 2 перехресно - 1 контакт P на 1 контакт M, 2P-2M, 3P-3M....
В другому випадку збільшується кількість ліній. Отже і протоколів обміну. Що розширює універсальність.
Головне прийти до стандартного розподілу контактів. Та врахувати навантаження по силовій частині -+5, +12, ~16-18
ps в аналоговому варіанті виникають певні обмеження (+/-), котрі теж можна узгодити. Ми орієнтуємось на цифру
Kibri, Viessmann, PIKO, ATLAS та інше
- vover
- Супермодератор
- Повідомлень: 3236
- З нами з: 02 серпня 2015, 16:29
- Имя: Владимир
- Звідки: Будапешт
- Мой типоразмер: H0
- Has thanked: 1275 times
- Been thanked: 493 times
Re: Ужгородський Модуль HO. Початок
Первоначально так же обсуждалось, что если останутся незадействованные контакты, то отдать их под аналог. Цифровой лок на аналоге тоже поедет.
Но все-таки основной упор на цифру - там и возможностей больше и автоматику организовать ИМХО проще.
Но все-таки основной упор на цифру - там и возможностей больше и автоматику организовать ИМХО проще.
- gin_steam
- Повідомлень: 252
- З нами з: 04 листопада 2015, 18:23
- Имя: Александр
- Звідки: Горловка, Украина
- Мой типоразмер: Gauge 1, Live steam
- Been thanked: 4 times
Re: Ужгородський Модуль HO. Початок
Не сомневался, что все продумано. Спросил о симметричности для уточнения.VolodyaM писав:Є два варіанта підключення шлейфа.
Тогда фрезой вот так... Если на Ваш взгляд стоит развивать это направление, замоделю на коробе
-
VolodyaM
- Повідомлень: 205
- З нами з: 24 серпня 2015, 19:55
- Имя: Володя
- Звідки: Ужгород
- Мой типоразмер: HO
- Has thanked: 38 times
- Been thanked: 12 times
Re: Ужгородський Модуль HO. Початок
Фланець буде використовуватись і на станційних модулях (основна колія), а вони досить широкі. При центральному кріпленні можливі перекоси в площині стола. Мені здається, що може утворитись щілина з одного боку ( якщо штовхнути модуль ). Жорсткість фланця недостатня, щоб запобігти цьому. Краще рознести кріплення максимально по ширині. Навіть похибка, в отворах з краю, менше впливатиме на корону ніж похибка в центрі.gin_steam писав:Тогда фрезой вот так...
Я думаю обов'язково треба опрацювати Ваш варіант. Може викладіть Ваш лист сюди? Там є цікаві моменти.gin_steam писав:Если на Ваш взгляд стоит развивать это направление, замоделю на коробе
Я тоді напишу тут відповіді по всім питанням . Мабуть всім буде цікаво.
Насправді наш проект ще досить сирий. Можливо, це обговорення приведе до створення стандарту "OEF-HO"gin_steam писав:Не сомневался, что все продумано.
Kibri, Viessmann, PIKO, ATLAS та інше
- burbon
- Супермодератор
- Повідомлень: 1817
- З нами з: 04 травня 2015, 09:29
- Имя: Ігор
- Звідки: Київ, Україна
- Мой типоразмер: TT, Z, H0e
DIGITAL DCC/mfx
Ремонт, обслуговування та оцифровка моделей Z, N, TT, H0, 1, G - Has thanked: 249 times
- Been thanked: 996 times
Re: Ужгородський Модуль HO. Початок
В 2011 году, когда разрабатывался фланец "Модуль-ТТ", (в данном случаи взятый за основу) мы тоже изначально планировали "вертеть" модули на 180*. Именно по этой причине было взято 2 разъема DB25 вряд для симметричной распайки. Но в итоге от этой идеи отказались по ряду причин:gin_steam писав: Когда шлейфы абсолютно одинаковы по количеству линий и схеме подключения, то это не проблема. А если нет? - Шлейфы данных и питания не совпадают при повороте одного из модулей на 180 град. Возможность интересных сборок ограничена![]()
Сделать фланец более универсальным можно, расположив разъемы по оси один над другим. Скажем, питание - верхний, данные - нижний.
Впрочем, я не сильно разбираюсь в назначении этих разъемов, могу ошибаться.
у модуля всегда! есть лицевая сторона (фланец всегда позиционируется к лицевому фасаду),
ширина разных модулей исключает разворот на 180*, пример: модуль шириной 350 состыкован с 600-м 25-и контактов оказалось мало для реализации наших запросов
Немного о старте проекта "Модуль-ТТ" можно почитать в архиве старого форума http://oriental-express.com.ua/forum/forum10/topic85/
Лучше много раз по разу, чем ни разу много раз...
- gin_steam
- Повідомлень: 252
- З нами з: 04 листопада 2015, 18:23
- Имя: Александр
- Звідки: Горловка, Украина
- Мой типоразмер: Gauge 1, Live steam
- Been thanked: 4 times
Re: Ужгородський Модуль HO. Початок
Володя, когда предлагал центральный крепёж, рассуждал так:VolodyaM писав:Фланець буде використовуватись і на станційних модулях (основна колія), а вони досить широкі. При центральному кріпленні можливі перекоси в площині стола. Мені здається, що може утворитись щілина з одного боку ( якщо штовхнути модуль ). Жорсткість фланця недостатня, щоб запобігти цьому.
1) Имеем две плоскости сжатые в одной точке, причем, весьма сильно. Резьба М8 держит рабочую нагрузку вдоль оси болта 1400Н (140 кг), рабочая нагрузка под углом - 950Н (95 кг); резьба М10 - 2300Н(230кг) и 1700Н(170кг) соответственно. Такие разрывающие усилия при эксплуатации модулей представить трудно.
2) Попытка "отжать" одну сторону стянутых модулей до образования зазора вызовет стремление противоположных сторон "вжаться" друг в друга. Болт является осью балки, где действие с одного конца равно противодействию в противоположном направлении на другом конце. Так что зазор при боковом усилии на модули тоже не грозит.
3) Единственный вариант зазора, когда торцевая плоскость изогнется. Это тоже не реально. Торец усилен мощным "ребром жесткости" - верхней крышкой. Коробку согнуть не получится.
Всё верно? Где не прав?
Если это считать техзаданием для разработки фланца , то вопрос конечно снимается.burbon писав:у модуля всегда! есть лицевая сторона (фланец всегда позиционируется к лицевому фасаду),
ширина разных модулей исключает разворот на 180*
- gin_steam
- Повідомлень: 252
- З нами з: 04 листопада 2015, 18:23
- Имя: Александр
- Звідки: Горловка, Украина
- Мой типоразмер: Gauge 1, Live steam
- Been thanked: 4 times
Re: Ужгородський Модуль HO. Початок
Секретов, ясное дело, нет. Не хотел Вашу тему грузить словоблудием, типа самый вумный нашелсяVolodyaM писав:Може викладіть Ваш лист сюди? Там є цікаві моменти.
Я тоді напишу тут відповіді по всім питанням . Мабуть всім буде цікаво.
Если считаете, что имеет смысл для обсуждения, пожалста по пунктам:
Первое, что напрягает - болт с направляющей частью Д 9 мм. По опыту работы с штампами знаю, что совмещать направляющие элементы и крепёж нельзя. Это в эксплуатации не ремонтопригодно. В Вашем случае, если при транспортировке или затяжке повредится резьба М8, то придется менять весь фланец. Сомневаюсь, что приваренный болт можно будет аккуратно вырезать и затем точно установить новый на сварке.
Тем более сам болт достаточно длинный, небольшой перекос при сварке и точности совмещения фланцев не будет.
Не лучше ли для совмещения использовать небольшие штифты длинной 8-10 мм ближе к боковым сторонам фланца, а крепить обыкновенным болтом+гайкой М10 через центральное отверстие Д10,2?
Второй момент. Металл 3мм при сварке болта неизбежно поведет. Видел по Вашей ссылке у ТТ-шников все норм. Но кто даст гарантию, что другой сварщик правильно выставит и грамотно прихватит деталь? Так понимаю, конструкция должна быть максимально доступной для изготовления всеми нашими коллегами.
Может стоит предусмотреть запрессовку направляющего штифта? Выточить его с небольшими бортиками и запрессовывать в отверстие фланца? При точности отверстий и допусков штифта человеческий фактор в сборке исключён. Потребуется более толстый металл фланца, но об этом ниже...
По лазерной резке.
Заказывал ее себе несколько раз и не было случая, чтоб качество понравилось на 100%. К тому же дорогое это удовольствие. По Вашей длине реза, тем более импульсная порезка без перегрева влетит в копеечку. Когда нужен точный криволинейный контур, да - это оправдано. Но в данном случае, думаю, можно применить более доступную всем и менее затратную технологию. В детали основной сопрягающийся элемент это корона и отверстия под разъем. Что если их не вырезать, а фрезеровать?
Заготовки можно набрать в пачку и пройти корону фрезой. Для уменьшения металлоемкости предусмотреть фланец не на всю поверхность торца, а только на верхнюю ответственную часть. Тогда заготовкой будет обычная полоса , нарезанная ровными кусками. Толщина 5-6 мм полосы шириной 50 мм вполне обеспечит посадку штифта.
-
VolodyaM
- Повідомлень: 205
- З нами з: 24 серпня 2015, 19:55
- Имя: Володя
- Звідки: Ужгород
- Мой типоразмер: HO
- Has thanked: 38 times
- Been thanked: 12 times
Re: Ужгородський Модуль HO. Початок
неможу заперечити...gin_steam писав: 1) Имеем две плоскости ...
Це справедливо, якщо кришка цільна (по периметру модуля). Якщо використано каркас і тонка смуга фанери під колією (інше гори або провалля), то механічно каркас може зігнутись за місцем кріплення (смуги фанери). Трохи грубо намалювавgin_steam писав: 2) Попытка "отжать" одну сторону стянутых модулей до образования зазора вызовет стремление противоположных сторон "вжаться" друг в друга. .. Торец усилен мощным "ребром жесткости" - верхней крышкой.
Kibri, Viessmann, PIKO, ATLAS та інше
-
VolodyaM
- Повідомлень: 205
- З нами з: 24 серпня 2015, 19:55
- Имя: Володя
- Звідки: Ужгород
- Мой типоразмер: HO
- Has thanked: 38 times
- Been thanked: 12 times
Re: Ужгородський Модуль HO. Початок
Сам же відповім на попередній лист.
Можна скрізь фанеру прикріпити боки. Фланець тут не має значення.
Олександр твій (ми вже на ти
) фланець має недолік. Це розташування кріплення та роз'ємів дуже близько до поверхні. Через отвори на короні кріпиться "поличка" для флексів. Щоб вони не "гуляли" на торцях (ідея з ТТ-фланця). А ще нижче фанера кришки( має +-10мм ). Отже закрутити буде важко. А в версії модуля з рейками на підвищенні, взагалі фланець "вухами" заважає.
зі постараюсь зробити більш детальний опис нашої версії.
Олександр твій (ми вже на ти
зі постараюсь зробити більш детальний опис нашої версії.
Kibri, Viessmann, PIKO, ATLAS та інше
- gin_steam
- Повідомлень: 252
- З нами з: 04 листопада 2015, 18:23
- Имя: Александр
- Звідки: Горловка, Украина
- Мой типоразмер: Gauge 1, Live steam
- Been thanked: 4 times
Re: Ужгородський Модуль HO. Початок
Володя, цель моей писанины не предложить новый фланец (ТТ-шный ведь неплохо себя показал), а добавить информации к размышлению. Еще один способ изготовления, например.
Если варианты не подходят, значь в топку их - не жалко.
Если варианты не подходят, значь в топку их - не жалко.
-
VolodyaM
- Повідомлень: 205
- З нами з: 24 серпня 2015, 19:55
- Имя: Володя
- Звідки: Ужгород
- Мой типоразмер: HO
- Has thanked: 38 times
- Been thanked: 12 times
Re: Ужгородський Модуль HO. Початок
Ми і очікували такого обговорення. Це добре. Завдання зробити оптимальну версію.
Фланець з смуги металу наштовхнув мене на версію для багатоколійної станції. Відсутній рельєф і багато корон для колій.
Фланець з смуги металу наштовхнув мене на версію для багатоколійної станції. Відсутній рельєф і багато корон для колій.
Kibri, Viessmann, PIKO, ATLAS та інше
-
VolodyaM
- Повідомлень: 205
- З нами з: 24 серпня 2015, 19:55
- Имя: Володя
- Звідки: Ужгород
- Мой типоразмер: HO
- Has thanked: 38 times
- Been thanked: 12 times
Re: Ужгородський Модуль HO. Початок
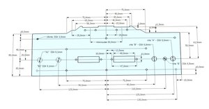
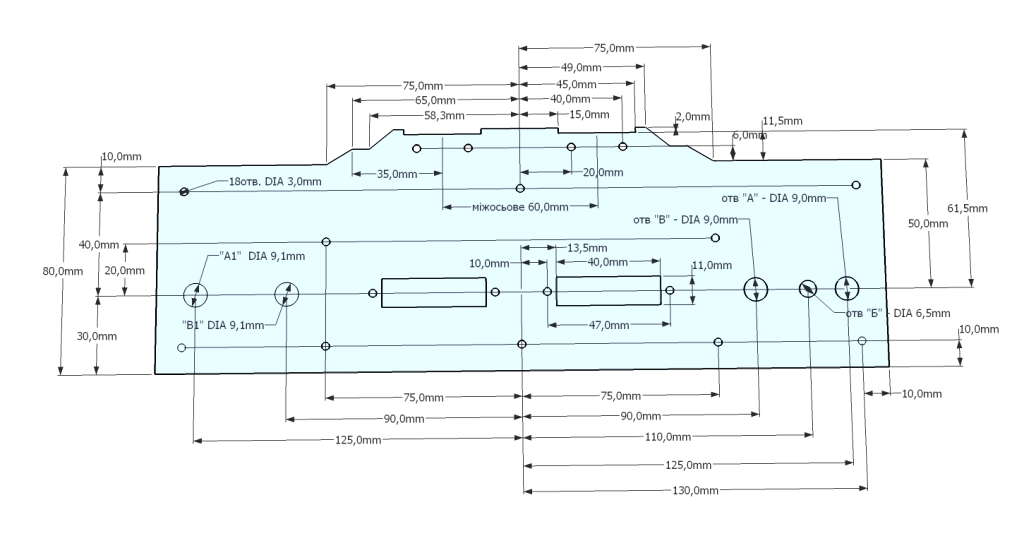
Змінив трохи фланець. Добавив металу на зуби
. Нашу "корону" підігнав до NEM-122. Обрізав 2см металу знизу. Полегшив трохи. Отвори А1 та В1 збільшив до 9,1мм. Має легко входити зустрічний штифт.
Ось що вийшло: Прохання перевірити, бо в очах вже мерихтить.
Направляючий штифт пропонуємо робити так: - наш болт фіксуємо в отворі "A" за допомогою "циліндра" та гайки. Має стати строго перпендикулярно, без зазорів. Болт імпортний - без перекосів
- приварюємо болт в 3-х місцях
- обрізаємо різьбу, залишаємо 10-15 мм
- знімаємо фаску.
Ось що вийшло: Прохання перевірити, бо в очах вже мерихтить.
Направляючий штифт пропонуємо робити так: - наш болт фіксуємо в отворі "A" за допомогою "циліндра" та гайки. Має стати строго перпендикулярно, без зазорів. Болт імпортний - без перекосів
- приварюємо болт в 3-х місцях
- обрізаємо різьбу, залишаємо 10-15 мм
- знімаємо фаску.
Kibri, Viessmann, PIKO, ATLAS та інше
- wildTarik
- Повідомлень: 341
- З нами з: 14 серпня 2015, 12:39
- Имя: Тарас
- Звідки: ст.Стрий Льв.зал.
- Мой типоразмер: TT, N
- Has thanked: 174 times
- Been thanked: 38 times
Re: Ужгородський Модуль HO. Початок
А можна поцікавитись для чого вам стільки напруг? Для автоматики на модулях, на яких це потрібно, можна передбачити індивідуальний перетворювач (на базі елементарної LM317 аба серії МС78ХХ) і між модулями кидати лише -+12 В ну і ~16-18 для цифри. 12 В можна банально живити від комп'ютерного блоку живлення на весь модульний макет. Або просто прикинути чи потрібно тих 5 чи 12 В. Наприклад, якщо 12 В не буде ніде використовуватись, то в топку його. Хоча я б все ж таки залишив більшу напругу. В себе планую кидати 15В, бо від неї можна живити і КМОП мікросхеми і отримати яку хочеш нижчу напругу. І чи не буде забагато 2х25 контактів?VolodyaM писав:Та врахувати навантаження по силовій частині -+5, +12, ~16-18
Герої не вмирають!
=================================

=================================

-
VolodyaM
- Повідомлень: 205
- З нами з: 24 серпня 2015, 19:55
- Имя: Володя
- Звідки: Ужгород
- Мой типоразмер: HO
- Has thanked: 38 times
- Been thanked: 12 times
Re: Ужгородський Модуль HO. Початок
Згоден стільки напруг може і зайве. У мене автоматика буде на ардуіно, своя шина. Я беру БЖ від компа +5 (ттл)+12 на силову частину, ~18 DCC Roco. У vover - marklin багато. Він зробить щось під себе. У когось шина управління S88, там 8 контактів. Прокинути пульти - теж контакти. А якщо добавити аналогове з роздільним керуванням.... Але всі ми хочемо зібрати свої модулі в купу і відірватисьwildTarik писав:А можна поцікавитись для чого вам стільки напруг?
Тут почнеться - який провід куди чіпляти, як прокинути.... Купа додаткових проводів і переходів. Саме від цього хочемо відійти.
Добавлю. Клеми сигнальні а не силові. На живлення потрібно дублювати.Та й на сигнальні теж. Контакти не золоті
Kibri, Viessmann, PIKO, ATLAS та інше
- gin_steam
- Повідомлень: 252
- З нами з: 04 листопада 2015, 18:23
- Имя: Александр
- Звідки: Горловка, Украина
- Мой типоразмер: Gauge 1, Live steam
- Been thanked: 4 times
Re: Ужгородський Модуль HO. Початок
Э-э, а можно деликатный вопрос?
У ашноликов Киевского модуля подобные фланцы есть? Или непримиримость конфессий делает унификацию не актуальной?
У ашноликов Киевского модуля подобные фланцы есть? Или непримиримость конфессий делает унификацию не актуальной?
-
VolodyaM
- Повідомлень: 205
- З нами з: 24 серпня 2015, 19:55
- Имя: Володя
- Звідки: Ужгород
- Мой типоразмер: HO
- Has thanked: 38 times
- Been thanked: 12 times
Re: Ужгородський Модуль HO. Початок
.gin_steam писав:У ашноликов Киевского модуля подобные фланцы есть?
Я не знайшов (в металевій формі). Мені попалась подібна тема на scaletrainsclub. Але з іншими "формами"
Востаннє редагувалось 05 грудня 2015, 12:33 користувачем VolodyaM, всього редагувалось 1 раз.
Kibri, Viessmann, PIKO, ATLAS та інше
-
VolodyaM
- Повідомлень: 205
- З нами з: 24 серпня 2015, 19:55
- Имя: Володя
- Звідки: Ужгород
- Мой типоразмер: HO
- Has thanked: 38 times
- Been thanked: 12 times
Re: Ужгородський Модуль HO. Початок
Для нашої команди швидше відстань >800 км. Думаю легко зробити перехідний модуль : коробка, штучна трава і 2 флекса.gin_steam писав:Или непримиримость конфессий делает унификацию не актуальной?
Kibri, Viessmann, PIKO, ATLAS та інше