"Кирпич" решает всё?
-
depeche
- Повідомлень: 97
- З нами з: 26 січня 2020, 12:54
- Имя: Андрій
- Мой типоразмер: ТТ
- Has thanked: 14 times
- Been thanked: 12 times
"Кирпич" решает всё?
Держа в руках "кирпич", чувствуется, что это ВЕЩЬ (правда было это в далеком детстве, когда всё было больше, тяжелее и зеленее)!
Крутя в руках аналоговый пульт из Тиллиговского стартового набора, кажется, что еще один кружок на стартовом овале он не переживет.
Насколько знаю, "кирпич" имеет выход не только на рельсы, но и для подключения аксессуаров, мой новый пульт имеет скупые 2 клеммы. Я сейчас на цифре и эти предметы меня интересуют в плане управления аксессуарами.
Собсно вопрос. Всё ли так плохо в новоделе или он на легке уделает старичка? По идее, несколько соленоидов для стрелок он осилить должен. Но может "кирпич" сможет больше (выходов то больше)? Ведь не стрелками едиными.
Буду благодарен, если подтвердите или опровергните мои домыслы.
Крутя в руках аналоговый пульт из Тиллиговского стартового набора, кажется, что еще один кружок на стартовом овале он не переживет.
Насколько знаю, "кирпич" имеет выход не только на рельсы, но и для подключения аксессуаров, мой новый пульт имеет скупые 2 клеммы. Я сейчас на цифре и эти предметы меня интересуют в плане управления аксессуарами.
Собсно вопрос. Всё ли так плохо в новоделе или он на легке уделает старичка? По идее, несколько соленоидов для стрелок он осилить должен. Но может "кирпич" сможет больше (выходов то больше)? Ведь не стрелками едиными.
Буду благодарен, если подтвердите или опровергните мои домыслы.
Я НЕ збудую свою залізницю! З блекджеком і курвами!
- youdmit
- Повідомлень: 3349
- З нами з: 30 липня 2015, 01:48
- Имя: ЮрСанич
- Звідки: Київ
- Мой типоразмер: H0, H0e
- Has thanked: 2089 times
- Been thanked: 4157 times
Re: "Кирпич" решает всё?
Кирпич сможет больше потому, что для питания аксессуаров используется напряжение 16 v переменного тока. Именно для соленоидов это весьма актуально. От питания постоянным током соленоиды тоже будут срабатывать, но со временем намагнитятся и возникнут проблемы.depeche писав:... несколько соленоидов для стрелок он осилить должен. Но может "кирпич" сможет больше (выходов то больше)? Ведь не стрелками едиными.
P.S. У меня соленоиды отсутствуют как класс, но на переменку от кирпича поставил классический диодный мост и использую для светодиодного освещения - чего обмотке вхолостую прохлаждаться...
Я сотый раз, опять начну сначала... (А.Макаревич)
- Stinky
- Супермодератор
- Повідомлень: 6309
- З нами з: 16 травня 2015, 01:19
- Имя: Дионисий
- Звідки: Kiew
- Мой типоразмер: Н0
- Has thanked: 1492 times
- Been thanked: 3230 times
- Контактна інформація:
Re: "Кирпич" решает всё?
Пульт от Тиллига не плох как для ШИМ пульта.Лучше нового Пико,которые пихают в стартовики.
Но это он хорош в катании паровозиков.В освещении и стрелках,как писал выше ЮрСаныч будет
пичаль.
Сам кирпич мощен во всех отношениях.У меня на макете была запитка двадцати стрелок(аналог) и
все освещение (на лампах) от двух кирпичей.При этом они даже не напрягались.
Но это он хорош в катании паровозиков.В освещении и стрелках,как писал выше ЮрСаныч будет
пичаль.
Сам кирпич мощен во всех отношениях.У меня на макете была запитка двадцати стрелок(аналог) и
все освещение (на лампах) от двух кирпичей.При этом они даже не напрягались.

- burbon
- Супермодератор
- Повідомлень: 1786
- З нами з: 04 травня 2015, 09:29
- Имя: Ігор
- Звідки: Київ, Україна
- Мой типоразмер: TT, Z, H0e
DIGITAL DCC/mfx
Ремонт, обслуговування та оцифровка моделей Z, N, TT, H0, 1, G - Has thanked: 238 times
- Been thanked: 949 times
Re: "Кирпич" решает всё?
Вставлю и свои пять копеек
Кирпич, если мне не изменяет память имеет до 1,5А на выходе. Юзеры "кирпичей" поправте меня по характеристикам. У Tillig со стартового набора 550mA с ШИМ. Выходная мощность на прямую связана с технологиями и моделями. Взять к примеру старопиковский Е44 с двумя моторами. В пике он мог взять до 1,2А. Современные локи в среднем берут до 350mA. Допвыход АС это неоспоримый плюс, но "кирпич" в стартовых наборах не шел
Кстати, у Tillig-а есть два вида пультов с аксессуарными допвыходами АС. Что же касается управления солиноидами тут я поддержу Юрия Александровича. Возьмите отдельный б/п на 16В АС до 1А и не будет проблем с солиноидами.
Кирпич, если мне не изменяет память имеет до 1,5А на выходе. Юзеры "кирпичей" поправте меня по характеристикам. У Tillig со стартового набора 550mA с ШИМ. Выходная мощность на прямую связана с технологиями и моделями. Взять к примеру старопиковский Е44 с двумя моторами. В пике он мог взять до 1,2А. Современные локи в среднем берут до 350mA. Допвыход АС это неоспоримый плюс, но "кирпич" в стартовых наборах не шел
Лучше много раз по разу, чем ни разу много раз...
-
railmodel
- Повідомлень: 353
- З нами з: 24 серпня 2016, 07:38
- Имя: railmodel
- Звідки: Киев
- Мой типоразмер: H0
- Has thanked: 22 times
- Been thanked: 39 times
Re: "Кирпич" решает всё?
Кстати, для снижения пикового потребления тока стрелки переводят по очереди — не вручную, конечно, а примемением схемотехнических решений.
- youdmit
- Повідомлень: 3349
- З нами з: 30 липня 2015, 01:48
- Имя: ЮрСанич
- Звідки: Київ
- Мой типоразмер: H0, H0e
- Has thanked: 2089 times
- Been thanked: 4157 times
Re: "Кирпич" решает всё?
1,2А.burbon писав:Кирпич, если мне не изменяет память имеет до 1,5А на выходе. Юзеры "кирпичей" поправте меня по характеристикам.
Я сотый раз, опять начну сначала... (А.Макаревич)
- Санёк-69
- Повідомлень: 434
- З нами з: 10 лютого 2017, 13:05
- Имя: Александр
- Звідки: Житомир
- Мой типоразмер: НО/ТТ
- Has thanked: 1370 times
- Been thanked: 398 times
Re: "Кирпич" решает всё?
У Marklin есть т.н. осветительные трансформаторы (Licht trafo), только для стрелок и освещенияburbon писав:Возьмите отдельный б/п на 16В АС до 1А и не будет проблем с солиноидами.
переменка 16V - от 2,25 до 3,75 А.
- старые в металлическом корпусе: 6210(50VA), 6211(50VA), 6337(36VA)
- в пластиковом корпусе: 6611(40VA), 6002(52VA), 6005(60VA)
У нас иногда появляются. Сейчас пробовал найти, наверное уже забрали, - на олх и других купи-продайках о-о-очень долго висел лот на 6-ть трансов (1 универсальный, и 5-ть осветительных), сначала была цена 600 грн. за всё, а потом ещё меньше.
-
Женя Харьков
- Повідомлень: 138
- З нами з: 14 жовтня 2016, 16:02
- Имя: Евгений
- Звідки: Харкiв
- Мой типоразмер: H0
- Has thanked: 173 times
- Been thanked: 12 times
Re: "Кирпич" решает всё?
Не очень уверен, но мне кажется, что кирпичем стартовики не комплектовали. Всегда считал что его покупали отдельно, нет?depeche писав: Собсно вопрос. Всё ли так плохо в новоделе или он на легке уделает старичка?
Моїм найвищим законом, е наказ командира и воля українського народу.
-
depeche
- Повідомлень: 97
- З нами з: 26 січня 2020, 12:54
- Имя: Андрій
- Мой типоразмер: ТТ
- Has thanked: 14 times
- Been thanked: 12 times
Re: "Кирпич" решает всё?
выше уже указывали, что стартовики "кирпичами" не снабжали.Женя Харьков писав: Не очень уверен, но мне кажется, что кирпичем стартовики не комплектовали. Всегда считал что его покупали отдельно, нет?
Но, я вспоминаю свой пульт. Тот что был к 12 мм был довольно солидный и выглядел как "кирпич" срезанный наполовину, такой себе блинчик. А вот пульт, который был уже ближе к концу 80-х и шел с железкой Н0, хоть по форме и напоминал предыдущий, но был вообще на батарейках...
Я НЕ збудую свою залізницю! З блекджеком і курвами!
-
Pantograph
- Повідомлень: 202
- З нами з: 11 лютого 2017, 13:13
- Имя: Vlad
- Звідки: KIEV
- Мой типоразмер: H0, 1:72
- Has thanked: 2 times
- Been thanked: 4 times
Re: "Кирпич" решает всё?
Кирпичи есть также от роко, трикса, фляйша, это те которые постоянку с переменкой в одном блоке совмещают. 
«Сто грамм не стоп-кран: дёрнешь — не остановишься!»
- Санёк-69
- Повідомлень: 434
- З нами з: 10 лютого 2017, 13:05
- Имя: Александр
- Звідки: Житомир
- Мой типоразмер: НО/ТТ
- Has thanked: 1370 times
- Been thanked: 398 times
Re: "Кирпич" решает всё?
У Трикса и Фляйша выход (переменка) на стрелки и освещение - 14V, а у Пико - 16V.
Старые Пикошные стрелки на соленоидах и от 14V срабатывают, а если ещё освещение подгрузить, или ещё пару стрелок? В электрике не силён, не знаю, на сколько тут критична разница 14 и 16V?
Старые Пикошные стрелки на соленоидах и от 14V срабатывают, а если ещё освещение подгрузить, или ещё пару стрелок? В электрике не силён, не знаю, на сколько тут критична разница 14 и 16V?
-
Pantograph
- Повідомлень: 202
- З нами з: 11 лютого 2017, 13:13
- Имя: Vlad
- Звідки: KIEV
- Мой типоразмер: H0, 1:72
- Has thanked: 2 times
- Been thanked: 4 times
Re: "Кирпич" решает всё?
Не знал, Спасибо.Санёк-69 писав:У Трикса и Фляйша выход (переменка) на стрелки и освещение - 14V, а у Пико - 16V.
«Сто грамм не стоп-кран: дёрнешь — не остановишься!»
- burbon
- Супермодератор
- Повідомлень: 1786
- З нами з: 04 травня 2015, 09:29
- Имя: Ігор
- Звідки: Київ, Україна
- Мой типоразмер: TT, Z, H0e
DIGITAL DCC/mfx
Ремонт, обслуговування та оцифровка моделей Z, N, TT, H0, 1, G - Has thanked: 238 times
- Been thanked: 949 times
Re: "Кирпич" решает всё?
Позволю себе немного флудаPantograph писав:Кирпичи есть также от роко, трикса, фляйша, это те которые постоянку с переменкой в одном блоке совмещают.
"Кирпич" погоняло собственное, прилипшее к конкретному б/п, а именно Piko FZ1 за его габарит и вес.
Ну а все остальное это просто б/п
Лучше много раз по разу, чем ни разу много раз...
- Stinky
- Супермодератор
- Повідомлень: 6309
- З нами з: 16 травня 2015, 01:19
- Имя: Дионисий
- Звідки: Kiew
- Мой типоразмер: Н0
- Has thanked: 1492 times
- Been thanked: 3230 times
- Контактна інформація:
Re: "Кирпич" решает всё?
Поддерживаю целиком и полностью.Не надо обобщать.burbon писав: "Кирпич" погоняло собственное, прилипшее к конкретному б/п, а именно Piko FZ1 за его габарит и вес.
Ну а все остальное это просто б/п

-
Pantograph
- Повідомлень: 202
- З нами з: 11 лютого 2017, 13:13
- Имя: Vlad
- Звідки: KIEV
- Мой типоразмер: H0, 1:72
- Has thanked: 2 times
- Been thanked: 4 times
Re: "Кирпич" решает всё?
С геометрией нельзя не согласиться...burbon писав:Позволю себе немного флудаPantograph писав:Кирпичи есть также от роко, трикса, фляйша, это те которые постоянку с переменкой в одном блоке совмещают.![]()
"Кирпич" погоняло собственное, прилипшее к конкретному б/п, а именно Piko FZ1 за его габарит и вес.
Ну а все остальное это просто б/п
«Сто грамм не стоп-кран: дёрнешь — не остановишься!»
Re: "Кирпич" решает всё?
Здравствуйте!
Планирую строительство гаража и частично забор из кирпича. Вижу, что есть разные варианты на Розетке — от дешёвого строительного до декоративного клинкерного.
Хотелось бы понять:
Какой кирпич оптимален по цене и качеству для таких задач?
Есть ли разница в долговечности между керамическим и силикатным?
Стоит ли использовать облицовочный кирпич сразу или можно отложить отделку?
Буду рад вашим советам и примерам из личного опыта.
Планирую строительство гаража и частично забор из кирпича. Вижу, что есть разные варианты на Розетке — от дешёвого строительного до декоративного клинкерного.
Хотелось бы понять:
Какой кирпич оптимален по цене и качеству для таких задач?
Есть ли разница в долговечности между керамическим и силикатным?
Стоит ли использовать облицовочный кирпич сразу или можно отложить отделку?
Буду рад вашим советам и примерам из личного опыта.
-
PIKO_HO
- Повідомлень: 535
- З нами з: 20 вересня 2020, 18:14
- Имя: Андрей
- Звідки: Днепр
- Мой типоразмер: НО, N
- Has thanked: 1099 times
- Been thanked: 358 times
Re: "Кирпич" решает всё?
Уважаемый Mukered!
Стремление строить - во все времена прекрасно!
НО!
Вы немного не в теме!
На сленге моделистов - железнодорожников
"кирпич" - это БЛОК ПИТАНИЯ для локомотивов и аксессуаров модельной железной дороги
PIKO FZ1, напоминающей своей формой именно, кирпич!
Можете погуглить!
Стремление строить - во все времена прекрасно!
НО!
Вы немного не в теме!
На сленге моделистов - железнодорожников
"кирпич" - это БЛОК ПИТАНИЯ для локомотивов и аксессуаров модельной железной дороги
PIKO FZ1, напоминающей своей формой именно, кирпич!
Можете погуглить!
Моделювання - не копіювання, а мистецтво відображення!
-
4887
- Повідомлень: 54
- З нами з: 14 серпня 2015, 20:39
- Имя: Андрей Николаевич
- Звідки: Киев, Кардачи
- Мой типоразмер: N
- Been thanked: 3 times
Re: "Кирпич" решает всё?
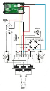
Вот, набросал доработку кирпича. Сейчас такую делаю...
Фотки из Инета, я просто обозначил нужные соединения. На коленке вроде все работает.
Фотки из Инета, я просто обозначил нужные соединения. На коленке вроде все работает.