Модуль макеты на тему сжд, пробные шаги.
-
Артем Д
- Повідомлень: 508
- З нами з: 11 березня 2016, 12:43
- Имя: Артем
- Мой типоразмер: Масштабы King size - Spur-I - 1:32, т.н. "Единичка"
+ Масштаб Н0 - 1:87. - Been thanked: 30 times
- Контактна інформація:
Модуль макеты на тему сжд, пробные шаги.
Всем привет, решил по пробывать сделать первый модуль, небольшой, для тестов и обкатки моделей и их фотографирования, взял полую панель 90х40см, рельсы фляйш и стрелки из флекса самодельные, тема на макете пункт ЭКЧ (конташники) с депо-гаражом для дрезины или весовая мастерская.
Здание депо будет копировать таковое здание с Варшавского/Балтийского-товарного.
Будет второй модуль с базой ПЧ те путейцев с мотовозами.
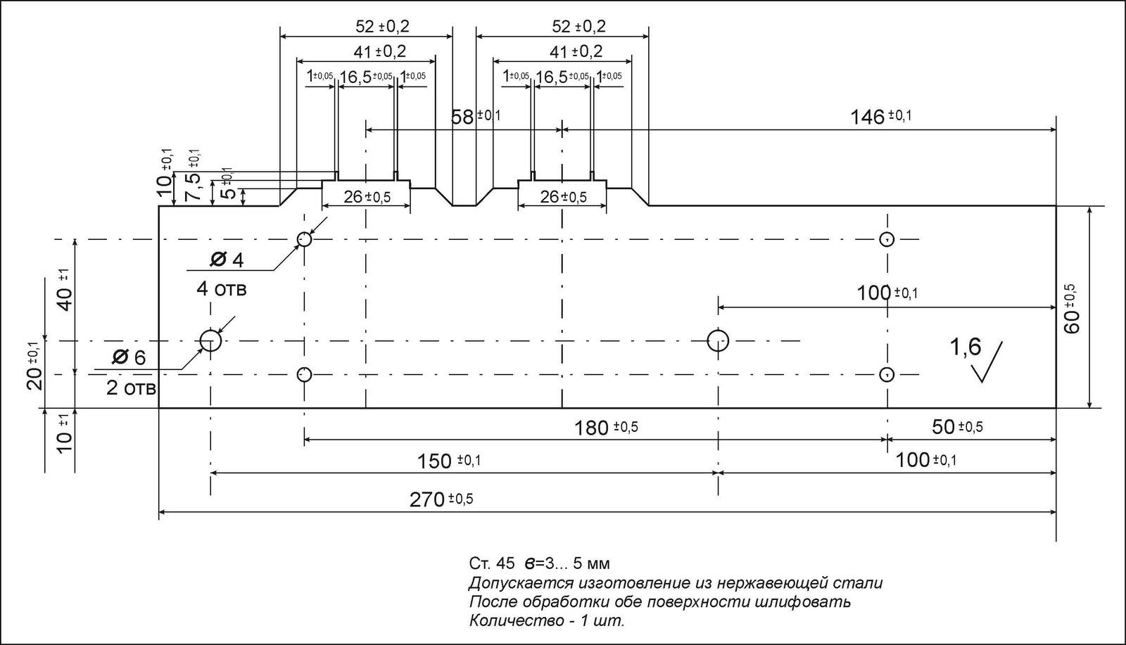
Прилагаю шаблон торца с которого взял размеры.
Рельсы и стрелки имеют отдельное питание.По торцам рельсы припаяны к текстолитовым плашкам.
Стрелки три на главных путях самодел из флекса.
Здание депо будет копировать таковое здание с Варшавского/Балтийского-товарного.
Будет второй модуль с базой ПЧ те путейцев с мотовозами.
Прилагаю шаблон торца с которого взял размеры.
Рельсы и стрелки имеют отдельное питание.По торцам рельсы припаяны к текстолитовым плашкам.
Стрелки три на главных путях самодел из флекса.
-
Артем Д
- Повідомлень: 508
- З нами з: 11 березня 2016, 12:43
- Имя: Артем
- Мой типоразмер: Масштабы King size - Spur-I - 1:32, т.н. "Единичка"
+ Масштаб Н0 - 1:87. - Been thanked: 30 times
- Контактна інформація:
Re: Модуль макеты на тему сжд, пробные шаги.
А пока с самим модулем не занимаюсь решил на досуге слепить бытовку будто из кузова-лежака из древнего деревянного пасс.вагона , поставлю на площадку у депо.Самодел, пластик,жесть, Н0 1/87.
И приложу фоты с УЗ от Сергея Палиенко на эту тему.
И приложу фоты с УЗ от Сергея Палиенко на эту тему.
- Stinky
- Супермодератор
- Повідомлень: 6348
- З нами з: 16 травня 2015, 01:19
- Имя: Дионисий
- Звідки: Kiew
- Мой типоразмер: Н0
- Has thanked: 1544 times
- Been thanked: 3332 times
- Контактна інформація:
Re: Модуль макеты на тему сжд, пробные шаги.
Хороша бытовка!Очень даже.С интерьерчиком.Внешне будет еще состариваться или останется красивой? 

-
Артем Д
- Повідомлень: 508
- З нами з: 11 березня 2016, 12:43
- Имя: Артем
- Мой типоразмер: Масштабы King size - Spur-I - 1:32, т.н. "Единичка"
+ Масштаб Н0 - 1:87. - Been thanked: 30 times
- Контактна інформація:
Re: Модуль макеты на тему сжд, пробные шаги.
Состарим
все состарим. и внутри барахла добавлю и свет проведем.
- Muton
- Повідомлень: 4022
- З нами з: 11 травня 2015, 23:12
- Имя: Вітя
- Звідки: Київ
- Мой типоразмер: НО
- Has thanked: 1150 times
- Been thanked: 1273 times
-
4erep_pashka
- Повідомлень: 135
- З нами з: 02 лютого 2016, 10:15
- Имя: Павло
- Звідки: Львів
- Мой типоразмер: H0
- Has thanked: 89 times
- Been thanked: 85 times
- Контактна інформація:
Re: Модуль макеты на тему сжд, пробные шаги.
а куда планируете присоединять модуль и что за нормы вы использовали?
- Nef
- Повідомлень: 582
- З нами з: 14 серпня 2016, 15:33
- Имя: Сергей
- Звідки: Москва
- Мой типоразмер: H0
- Been thanked: 2 times
Re: Модуль макеты на тему сжд, пробные шаги.
А я всё гадаю, появится тема, или нет )))) С почином )))))))
Я шабашу на кухне, в дырявом трико (с)
- vover
- Супермодератор
- Повідомлень: 3235
- З нами з: 02 серпня 2015, 16:29
- Имя: Владимир
- Звідки: Будапешт
- Мой типоразмер: H0
- Has thanked: 1275 times
- Been thanked: 493 times
Re: Модуль макеты на тему сжд, пробные шаги.
Тоже понравилась бытовочка - все так живенько и по совковому
С почином!
С почином!
-
Артем Д
- Повідомлень: 508
- З нами з: 11 березня 2016, 12:43
- Имя: Артем
- Мой типоразмер: Масштабы King size - Spur-I - 1:32, т.н. "Единичка"
+ Масштаб Н0 - 1:87. - Been thanked: 30 times
- Контактна інформація:
Re: Модуль макеты на тему сжд, пробные шаги.
Всем вечера!
Вот наконец материализовалось миниатюрное депо что я задумал поставить на модуль
Лазерная резка, масштаб Н0 .
Интересно мнение о модели, советы/рекомендации и по окраске отделке старению.
На фото пилотный, мой экземпляр еще придет и буду вещать о постройке.
Вот наконец материализовалось миниатюрное депо что я задумал поставить на модуль
Лазерная резка, масштаб Н0 .
Интересно мнение о модели, советы/рекомендации и по окраске отделке старению.
На фото пилотный, мой экземпляр еще придет и буду вещать о постройке.
- Барбос
- Повідомлень: 1718
- З нами з: 20 березня 2016, 18:18
- Имя: Саша
- Звідки: Запорожье
- Мой типоразмер: СЖД
- Has thanked: 531 times
- Been thanked: 549 times
Re: Модуль макеты на тему сжд, пробные шаги.
Шикарное Депо.
Лазер таки "жжёт" шедевры!
Но есть и другая сторона "медали" - слишком всё "ровное", и "новенькое", - но, это смотря какая эпоха, если для "сегодня", то нужно конечно "старить", "выбивать" кирпичи, и "ломать" крышу.
Лазер таки "жжёт" шедевры!
Но есть и другая сторона "медали" - слишком всё "ровное", и "новенькое", - но, это смотря какая эпоха, если для "сегодня", то нужно конечно "старить", "выбивать" кирпичи, и "ломать" крышу.
- youdmit
- Повідомлень: 3376
- З нами з: 30 липня 2015, 01:48
- Имя: ЮрСанич
- Звідки: Київ
- Мой типоразмер: H0, H0e
- Has thanked: 2158 times
- Been thanked: 4245 times
Re: Модуль макеты на тему сжд, пробные шаги.
Депо действительно шедевр!
Конечно следы эксплуатации нужны, но подсказать ничего толкового не могу потому, что сам в этой области научился лишь посредственно красить, а истинный везеринг надо ещё постигать.
Конечно следы эксплуатации нужны, но подсказать ничего толкового не могу потому, что сам в этой области научился лишь посредственно красить, а истинный везеринг надо ещё постигать.
Я сотый раз, опять начну сначала... (А.Макаревич)
- wildTarik
- Повідомлень: 341
- З нами з: 14 серпня 2015, 12:39
- Имя: Тарас
- Звідки: ст.Стрий Льв.зал.
- Мой типоразмер: TT, N
- Has thanked: 174 times
- Been thanked: 38 times
Re: Модуль макеты на тему сжд, пробные шаги.
Как всегда - шедеврально!
Наличие лазера понятно что упрощает изготовление, но тут нужно еще и чувство атмосферы, эпохи. Вообщем, рука мастера!
Герої не вмирають!
=================================

=================================

- Stinky
- Супермодератор
- Повідомлень: 6348
- З нами з: 16 травня 2015, 01:19
- Имя: Дионисий
- Звідки: Kiew
- Мой типоразмер: Н0
- Has thanked: 1544 times
- Been thanked: 3332 times
- Контактна інформація:
-
Артем Д
- Повідомлень: 508
- З нами з: 11 березня 2016, 12:43
- Имя: Артем
- Мой типоразмер: Масштабы King size - Spur-I - 1:32, т.н. "Единичка"
+ Масштаб Н0 - 1:87. - Been thanked: 30 times
- Контактна інформація:
Re: Модуль макеты на тему сжд, пробные шаги.
Тренировочная миниатюра подставка под фотосеты и экспонирование.
- youdmit
- Повідомлень: 3376
- З нами з: 30 липня 2015, 01:48
- Имя: ЮрСанич
- Звідки: Київ
- Мой типоразмер: H0, H0e
- Has thanked: 2158 times
- Been thanked: 4245 times
Re: Модуль макеты на тему сжд, пробные шаги.
Очень хорошая идея и начало реализации предполагает отличный конечный результат.
Несколько сменных задников очень разнообразят общую картину при фотосъёмке.
Несколько сменных задников очень разнообразят общую картину при фотосъёмке.
Я сотый раз, опять начну сначала... (А.Макаревич)
- Stinky
- Супермодератор
- Повідомлень: 6348
- З нами з: 16 травня 2015, 01:19
- Имя: Дионисий
- Звідки: Kiew
- Мой типоразмер: Н0
- Has thanked: 1544 times
- Been thanked: 3332 times
- Контактна інформація:
Re: Модуль макеты на тему сжд, пробные шаги.
Тоже часто задумывался над подобным.Но все руки не доходят. 

- Muton
- Повідомлень: 4022
- З нами з: 11 травня 2015, 23:12
- Имя: Вітя
- Звідки: Київ
- Мой типоразмер: НО
- Has thanked: 1150 times
- Been thanked: 1273 times
- Барбос
- Повідомлень: 1718
- З нами з: 20 березня 2016, 18:18
- Имя: Саша
- Звідки: Запорожье
- Мой типоразмер: СЖД
- Has thanked: 531 times
- Been thanked: 549 times
Re: Модуль макеты на тему сжд, пробные шаги.
Вот и Меня такое же ощущение настигло, нужно начинать.Артем Д писав:....решил попробовать сделать первый модуль, небольшой, для тестов, обкатки моделей и их фотографирования...