Шлагбаум ріко

Будуємо різні макети, і не забуваємо хвалитися ними
Відповісти
Okeksandrshasta
Повідомлень: 19
З нами з: 19 серпня 2024, 13:46
Имя: Олександр
Мой типоразмер: НО
Been thanked: 2 times

Шлагбаум ріко

Повідомлення Okeksandrshasta »

Доброго дня. Цікавить схема підключення шлагбаума. Там два контакти на котушку. Які треба модулі. Може в кого є схема? Дякую
Аватар користувача
burbon
Супермодератор
Повідомлень: 1817
З нами з: 04 травня 2015, 09:29
Имя: Ігор
Звідки: Київ, Україна
Мой типоразмер: TT, Z, H0e
DIGITAL DCC/mfx
Ремонт, обслуговування та оцифровка моделей Z, N, TT, H0, 1, G
Has thanked: 249 times
Been thanked: 996 times

Re: Шлагбаум ріко

Повідомлення burbon »

Та нічого там не треба. 14~16 змінного струму для закриття шлакбаума, без живлення він відкривається під вагою противоваги.
Лучше много раз по разу, чем ни разу много раз...
PIKO_HO
Повідомлень: 570
З нами з: 20 вересня 2020, 18:14
Имя: Андрей
Звідки: Днепр
Мой типоразмер: НО, N
Has thanked: 1162 times
Been thanked: 417 times

Re: Шлагбаум ріко

Повідомлення PIKO_HO »

Ігоре, доброї ночи! Як я розумію, людину цікавить схема підключення з використанням комутаційного реле, рейкових педалей та розрізних рейок?
Моделювання - не копіювання, а мистецтво відображення!
Okeksandrshasta
Повідомлень: 19
З нами з: 19 серпня 2024, 13:46
Имя: Олександр
Мой типоразмер: НО
Been thanked: 2 times

Re: Шлагбаум ріко

Повідомлення Okeksandrshasta »

Так. Саме схема!. Треба щоб спрацьовував при під'їзді потягу.
Аватар користувача
burbon
Супермодератор
Повідомлень: 1817
З нами з: 04 травня 2015, 09:29
Имя: Ігор
Звідки: Київ, Україна
Мой типоразмер: TT, Z, H0e
DIGITAL DCC/mfx
Ремонт, обслуговування та оцифровка моделей Z, N, TT, H0, 1, G
Has thanked: 249 times
Been thanked: 996 times

Re: Шлагбаум ріко

Повідомлення burbon »

Okeksandrshasta писав:
15 вересня 2024, 08:36
Так. Саме схема!. Треба щоб спрацьовував при під'їзді потягу.
Цеж інше питання ;) Бо в першому пості інфа така собі...
На аналогу можна використати готовий девайс. Мануал виклав в відповідному розділі.
Лучше много раз по разу, чем ни разу много раз...
Okeksandrshasta
Повідомлень: 19
З нами з: 19 серпня 2024, 13:46
Имя: Олександр
Мой типоразмер: НО
Been thanked: 2 times

Re: Шлагбаум ріко

Повідомлення Okeksandrshasta »

Пише що немає прав для перегляду
Аватар користувача
burbon
Супермодератор
Повідомлень: 1817
З нами з: 04 травня 2015, 09:29
Имя: Ігор
Звідки: Київ, Україна
Мой типоразмер: TT, Z, H0e
DIGITAL DCC/mfx
Ремонт, обслуговування та оцифровка моделей Z, N, TT, H0, 1, G
Has thanked: 249 times
Been thanked: 996 times

Re: Шлагбаум ріко

Повідомлення burbon »

Okeksandrshasta писав:
16 вересня 2024, 12:18
Пише що немає прав для перегляду
Якщо Ви залогінились то все буде. Якщо Ви дивитесь форум без авторизації і переходите за посиланням то побачите тільки текст та попередження як Ви написали.
Лучше много раз по разу, чем ни разу много раз...
PIKO_HO
Повідомлень: 570
З нами з: 20 вересня 2020, 18:14
Имя: Андрей
Звідки: Днепр
Мой типоразмер: НО, N
Has thanked: 1162 times
Been thanked: 417 times

Re: Шлагбаум ріко

Повідомлення PIKO_HO »

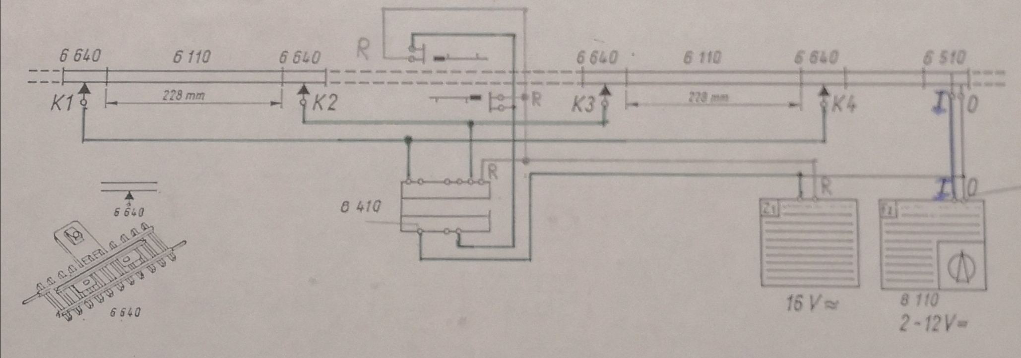
Доброго вечора, колеги! Вибачте, хворію, тому й трошки забарився з відповіддю.
Саме цікаве те, що 'переводити' схему ТТ підключення таких шлагбаймів помийдеться в НО самотужки. Головний елемент - це комутаційне реле вттв. З ним нічого не треба робить. Дивитесь каталожні номери елементів рейок ТТ й бачите, що то 'рейкова педаль', потім рейки з одним або двома розрізами. Збираєте, підключаєте. І все. Схема аналогов, але надійна. Бажаю успіхів!
Вкладення
Схема
Схема
Моделювання - не копіювання, а мистецтво відображення!
Аватар користувача
Санёк-69
Повідомлень: 437
З нами з: 10 лютого 2017, 13:05
Имя: Александр
Звідки: Житомир
Мой типоразмер: НО/ТТ
Has thanked: 1409 times
Been thanked: 400 times

Re: Шлагбаум ріко

Повідомлення Санёк-69 »

Вот ещё такие картинки нашлись:

p1.jpg
p2.jpg
Відповісти

Повернутись до “Модулі та макети”