ЧС2
- RTM
- Повідомлень: 207
- З нами з: 13 серпня 2015, 20:22
- Имя: RTModels
- Звідки: Кривий Ріг
- Мой типоразмер: H0
- Has thanked: 64 times
- Been thanked: 210 times
- Контактна інформація:
ЧС2
Всем доброго времени суток! Как многие уже знают, недавно, не дожив 1.5 часа до своего 61-летия, нас покинул Владимир Слуцкий, основатель и незаменимый руководитель RTM.
Добрый человек, отличный моделист, прекрасный руководитель. Не перечислить всего, за что я ему благодарен лично. Память о нем останется и в сердцах друзей и в моделях, созданных им. Пусть земля будет пухом!
Дело, которому Владимир преданно посвятил большую часть жизни, по его желанию, будет продолжено. Меня зовут Александр Дьяченко. Последние 7 лет я занимался разработкой, моделированием, фрезеровкой и 3d печатью мастер-моделей RTM.
Сейчас на финальной стадии находится ЧС2. К сожалению, эта модель завершается уже без Владимира Николаевича.
Модель охватывает номера 405-676 (и ниже, при небольшом изменении размещения ресиверов).
Кузов оптимизирован под ходовку Roco Ae 6/6, в комплекте будут 2 вида боковин тележек (копийная стендовая и чуть менее копийная ходовая), 2 вида метельников.
Буду рад услышать предложения и замечания.
Добрый человек, отличный моделист, прекрасный руководитель. Не перечислить всего, за что я ему благодарен лично. Память о нем останется и в сердцах друзей и в моделях, созданных им. Пусть земля будет пухом!
Дело, которому Владимир преданно посвятил большую часть жизни, по его желанию, будет продолжено. Меня зовут Александр Дьяченко. Последние 7 лет я занимался разработкой, моделированием, фрезеровкой и 3d печатью мастер-моделей RTM.
Сейчас на финальной стадии находится ЧС2. К сожалению, эта модель завершается уже без Владимира Николаевича.
Модель охватывает номера 405-676 (и ниже, при небольшом изменении размещения ресиверов).
Кузов оптимизирован под ходовку Roco Ae 6/6, в комплекте будут 2 вида боковин тележек (копийная стендовая и чуть менее копийная ходовая), 2 вида метельников.
Буду рад услышать предложения и замечания.
rtmodels.com.ua
t.me/rtm_kits
facebook.com/rtmkits
instagram.com/rtm_kits
t.me/rtm_kits
facebook.com/rtmkits
instagram.com/rtm_kits
- RTM
- Повідомлень: 207
- З нами з: 13 серпня 2015, 20:22
- Имя: RTModels
- Звідки: Кривий Ріг
- Мой типоразмер: H0
- Has thanked: 64 times
- Been thanked: 210 times
- Контактна інформація:
Re: ЧС2
Привет, Саш. Разрядника пока нет, из-за неопределенности его размещения. Ну а кабина такая же, за исключением лестницы и выборки на крыше.
rtmodels.com.ua
t.me/rtm_kits
facebook.com/rtmkits
instagram.com/rtm_kits
t.me/rtm_kits
facebook.com/rtmkits
instagram.com/rtm_kits
-
ivan
- Повідомлень: 284
- З нами з: 20 грудня 2019, 20:30
- Имя: Иван
- Звідки: Сходня
- Мой типоразмер: H0
- Has thanked: 56 times
- Been thanked: 85 times
Re: ЧС2
По разряднику надо понять их отличия в зависимости от расположения. На первый взгляд, они одинаковой формы, просто чешский родной вроде коричневый, а наш белый. Естественно, они стоят на разных кронштейнах. Ну и их ограждение - чешское родное в виде п-образного забора, который из травла можно воспроизвести, а наш советский - уже полоска жести по кругу вокруг разрядника.
С уважением,
Иван
С уважением,
Иван
- Барбос
- Повідомлень: 1718
- З нами з: 20 березня 2016, 18:18
- Имя: Саша
- Звідки: Запорожье
- Мой типоразмер: СЖД
- Has thanked: 531 times
- Been thanked: 526 times
Re: ЧС2
уухх какая каша заваривается
..
мои мнения:
1. Подставка под пантограф.
Я всё время думал что это конструкция новее, и соответственно сложнее... я "привык" видеть более простую конструкцию.. и очень хотелось бы и такую " классическую табуретку"
..
2. Третья подножка.
Она появилась в поздних номерах, начиная с 677 и далее. Поэтому тут нужно решить делать или не делать.
Я считаю что 3-ю малую подножку делать не нужно.
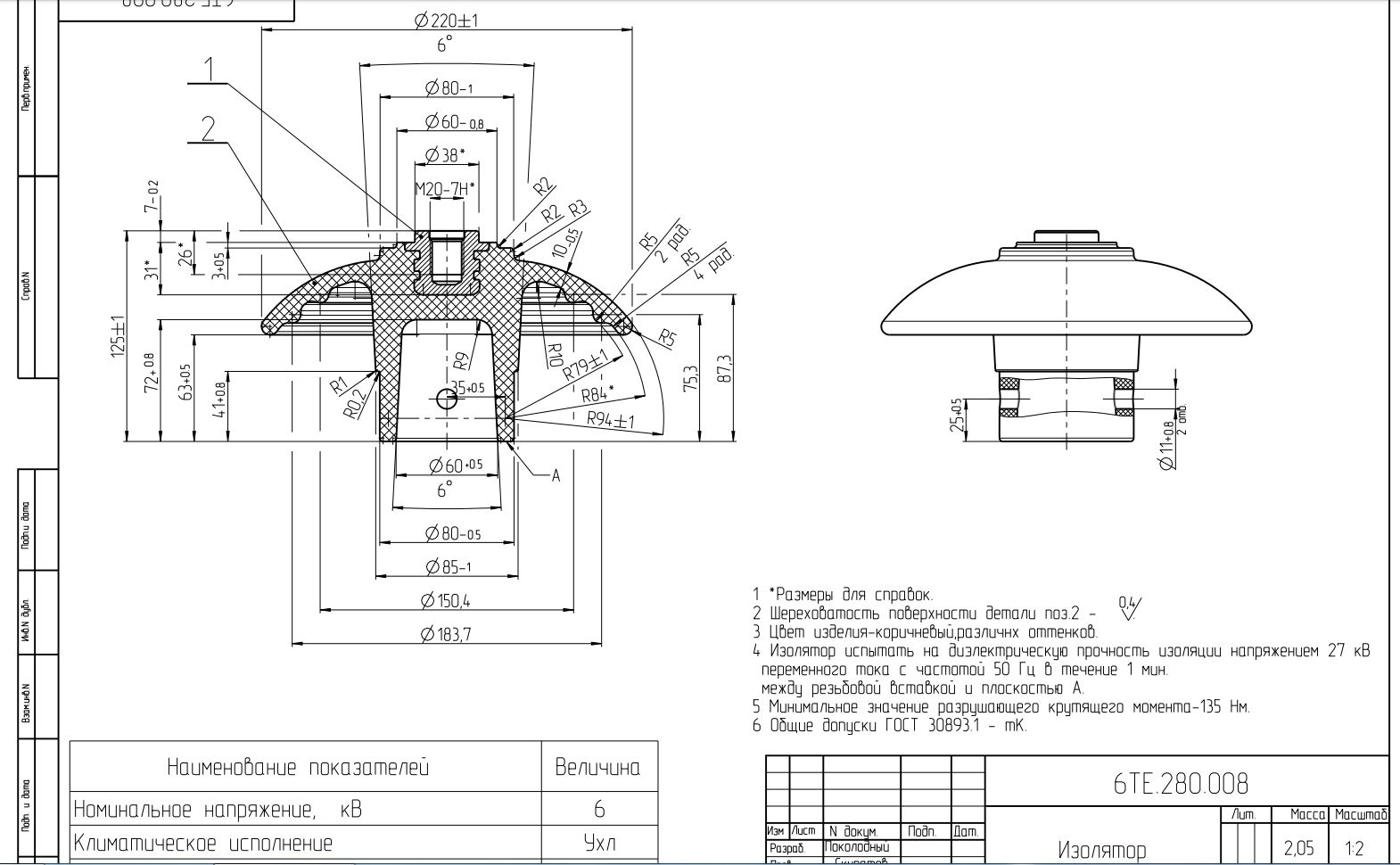
3. Изоляторы для ток шины есть двух типов, родные и после капремонта.
Родные вот такой формы.. После капремонта крышевого электрооборудования ставили более привычные Грибки: У тебя на чертеже нового типа Грибок, ну пусть они и будут везде, и для ток шины, и для пантографов, их легче сделать..
4. Разрядник.
Оригиналы мне не известно как выглядели, нет информации. Мы уже видим привычные нам отечественные разрядники, их ставили также при ремонтах..
так он выглядит... там видно его артикул.. на фото выше это именно он за полукруглым жестяным щитком...
5.Имитация машинного отделения видимого через окна очень желательна
. Окна у ЧС2 огромные, и пустота за ними очень видна, ну а просвет машинного насквозь для стендовой модели так вообще со смеха лопнуть
..
6. Под поручни обязательно наметить места для сверления отверстий.
7. Молдинг. Штука конечно нужная для того что бы собрать оригинал, но тогда что бы делать машины "наши родненькие" 80-е и 90-е молдинг придётся срезать, а это ооочень трудно сделать будет, что бы не было заметно, тут я с Vladimir77 согласен. Я бы наверное шёл по пути делать молдинг отдельно от кузова. 8. Обязательно вставьте в набор травлёнки травлённые "Чешские" правильные символы! которые на мордочке на брусе в номере машины, и не менее 4-х единиц каждой цифры, что бы мона было набирать номера типа 3х3 44х и так далее..
всё верно, это я и хотел выяснить.
мои мнения:
1. Подставка под пантограф.
Я всё время думал что это конструкция новее, и соответственно сложнее... я "привык" видеть более простую конструкцию.. и очень хотелось бы и такую " классическую табуретку"
2. Третья подножка.
Она появилась в поздних номерах, начиная с 677 и далее. Поэтому тут нужно решить делать или не делать.
Я считаю что 3-ю малую подножку делать не нужно.
3. Изоляторы для ток шины есть двух типов, родные и после капремонта.
Родные вот такой формы.. После капремонта крышевого электрооборудования ставили более привычные Грибки: У тебя на чертеже нового типа Грибок, ну пусть они и будут везде, и для ток шины, и для пантографов, их легче сделать..
4. Разрядник.
Оригиналы мне не известно как выглядели, нет информации. Мы уже видим привычные нам отечественные разрядники, их ставили также при ремонтах..
так он выглядит... там видно его артикул.. на фото выше это именно он за полукруглым жестяным щитком...
5.Имитация машинного отделения видимого через окна очень желательна
6. Под поручни обязательно наметить места для сверления отверстий.
7. Молдинг. Штука конечно нужная для того что бы собрать оригинал, но тогда что бы делать машины "наши родненькие" 80-е и 90-е молдинг придётся срезать, а это ооочень трудно сделать будет, что бы не было заметно, тут я с Vladimir77 согласен. Я бы наверное шёл по пути делать молдинг отдельно от кузова. 8. Обязательно вставьте в набор травлёнки травлённые "Чешские" правильные символы! которые на мордочке на брусе в номере машины, и не менее 4-х единиц каждой цифры, что бы мона было набирать номера типа 3х3 44х и так далее..
Востаннє редагувалось 27 жовтня 2021, 13:48 користувачем Барбос, всього редагувалось 2 разів.
- Юрий_2002
- Повідомлень: 46
- З нами з: 10 серпня 2020, 20:06
- Имя: Юрий
- Звідки: Харьков
- Мой типоразмер: H0
- Has thanked: 70 times
- Been thanked: 54 times
Re: ЧС2
Хочу тоже внести свои "5 копеек" к модели.
На рисунке под номером 1 я обозначил аппарат заземлитель, который в процессе езды и работы электровоза всегда выключен, все 3 аппарата (2 разъединителя токоприёмников, 1 заземлитель) не могут быть одновременно включены.
Под номером 2 я обозначил датчик, который устанавливается на электровозы всей Приднепровской ж.д. для считывания их количества при пересечении границ других дорог. То есть на электровозах, допустим, депо ТЧ-2 Харьков-Главное, нет ни одного такого датчика.
Технически можно сделать этот датчик как отдельную деталь. Интересно, будет ли возможность для создания "спаренного" варианта 2ЧС2? имею ввиду наличие розеток для питания цепей управления, как показано в сообщении выше на ЧС2-704.

Выделенные позиции на 3Д модели

Разъединители и заземлитель на электровозе ЧС2
На рисунке под номером 1 я обозначил аппарат заземлитель, который в процессе езды и работы электровоза всегда выключен, все 3 аппарата (2 разъединителя токоприёмников, 1 заземлитель) не могут быть одновременно включены.
Под номером 2 я обозначил датчик, который устанавливается на электровозы всей Приднепровской ж.д. для считывания их количества при пересечении границ других дорог. То есть на электровозах, допустим, депо ТЧ-2 Харьков-Главное, нет ни одного такого датчика.
Технически можно сделать этот датчик как отдельную деталь. Интересно, будет ли возможность для создания "спаренного" варианта 2ЧС2? имею ввиду наличие розеток для питания цепей управления, как показано в сообщении выше на ЧС2-704.
Выделенные позиции на 3Д модели
Разъединители и заземлитель на электровозе ЧС2
Восполнить мечту детства никогда не поздно
- Юрий_2002
- Повідомлень: 46
- З нами з: 10 серпня 2020, 20:06
- Имя: Юрий
- Звідки: Харьков
- Мой типоразмер: H0
- Has thanked: 70 times
- Been thanked: 54 times
Re: ЧС2
Так же я не увидел розетку для ввода электровоза под низким напряжением. Может из-за ходовых качеств она и не нужна будет, но если будет стендовый вариант, без розетки никак. И кто что думает за наличие плафонов освещения ходовых частей электровоза?
И ещё вопрос, можно увидеть 3Д фотографию тележки №1 со всех ракурсов? Я не увидел наличие на 3 колёсной паре осевого датчика ДАКО.

Розетка для ввода электровоза под низким напряжением

Осевой датчик ДАКО
И ещё вопрос, можно увидеть 3Д фотографию тележки №1 со всех ракурсов? Я не увидел наличие на 3 колёсной паре осевого датчика ДАКО.
Розетка для ввода электровоза под низким напряжением
Осевой датчик ДАКО
Восполнить мечту детства никогда не поздно
- Юрий_2002
- Повідомлень: 46
- З нами з: 10 серпня 2020, 20:06
- Имя: Юрий
- Звідки: Харьков
- Мой типоразмер: H0
- Has thanked: 70 times
- Been thanked: 54 times
Re: ЧС2
Поскольку я работаю на электровозах ЧС2, ЧС7 и ВЛ82М то могу проконсультировать по интересующим вопросам.
А так выше я сказал свои пожелания для автора. Любая модель требует анализа мелочей, поскольку это кропотливый труд, который не многим дан.
А так выше я сказал свои пожелания для автора. Любая модель требует анализа мелочей, поскольку это кропотливый труд, который не многим дан.
Восполнить мечту детства никогда не поздно
- RTM
- Повідомлень: 207
- З нами з: 13 серпня 2015, 20:22
- Имя: RTModels
- Звідки: Кривий Ріг
- Мой типоразмер: H0
- Has thanked: 64 times
- Been thanked: 210 times
- Контактна інформація:
Re: ЧС2
Здравствуйте, Юрий. Спасибо за комментарии. Разъединитель поправил, датчики 2, судя по фото, стоят не только на Приднепровской, но т.к. будет заводской вариант, они будут отдельно. Розетки для спаренного в наборе будут, плафоны и розетки на тележках есть. За информацию по буксам и датчикам ДАКО буду благодарен, слишком уж много вариантов на фото. В идеале конечно заводское исполнение.
rtmodels.com.ua
t.me/rtm_kits
facebook.com/rtmkits
instagram.com/rtm_kits
t.me/rtm_kits
facebook.com/rtmkits
instagram.com/rtm_kits
-
ivan
- Повідомлень: 284
- З нами з: 20 грудня 2019, 20:30
- Имя: Иван
- Звідки: Сходня
- Мой типоразмер: H0
- Has thanked: 56 times
- Been thanked: 85 times
Re: ЧС2
Молдинги вблизи
https://meshok.net/item/253380534_ФОТО_ ... Р_ОРИГИНАЛ
https://meshok.net/item/253380697_ФОТО_ ... Р_ОРИГИНАЛ
С уважением,
Иван
https://meshok.net/item/253380534_ФОТО_ ... Р_ОРИГИНАЛ
https://meshok.net/item/253380697_ФОТО_ ... Р_ОРИГИНАЛ
С уважением,
Иван
- RTM
- Повідомлень: 207
- З нами з: 13 серпня 2015, 20:22
- Имя: RTModels
- Звідки: Кривий Ріг
- Мой типоразмер: H0
- Has thanked: 64 times
- Been thanked: 210 times
- Контактна інформація:
Re: ЧС2
Всем доброго времени суток. Ожидаемо работа над ЧС2 затянулась, но спешу обрадовать, мы уже на финишной прямой
Примерка на ходовку Ae 6/6.
rtmodels.com.ua
t.me/rtm_kits
facebook.com/rtmkits
instagram.com/rtm_kits
t.me/rtm_kits
facebook.com/rtmkits
instagram.com/rtm_kits